ELECTRICAL | ELECTRICAL, SENSORS - Z14JT9EFX (49RGRELECT12RZRXP900)

ELECTRICAL | ELECTRICAL, SENSORS - Z14JT9EFX (49RGRELECT12RZRXP900)
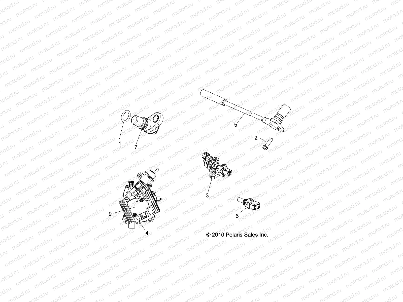
1
3234302
O-RING -113
Цена по
запросу
2
7518548
SCR-M6X16 HXFLG 0600214
Цена по
запросу
3
4011638
VALVE-IAC
Цена по
запросу
3
2878507
KIT-HARNESS IAC
Цена по
запросу
4
3235206
Vis
Цена по
запросу
5
2411719
SENSOR-CRANK POSITION
Цена по
запросу
6
4010644
SENSOR-THERMISTER
Цена по
запросу
7
4013908
SENSOR-SPEED TRANS
Цена по
запросу

Узлы для