ELECTRICAL | ELECTRICAL, REGULATOR, RELAYS, SENSORS and ECU - R11WH76AG/AR/WY76AE/AH/AJ (49RGRELECT11800CREW)

ELECTRICAL | ELECTRICAL, REGULATOR, RELAYS, SENSORS and ECU - R11WH76AG/AR/WY76AE/AH/AJ (49RGRELECT11800CREW)
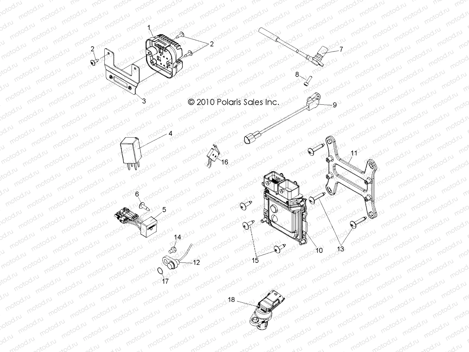
1
2878505
KIT-HARNESS REGULATOR AC INPUT
Цена по
запросу
1
4012941
REGULATOR-3PH 35A SERIES 105C
Цена по
запросу
1
2878506
KIT-HARNESS REGULATOR ACOUTPUT
Цена по
запросу
2
7517685
Vis
Цена по
запросу
3
5254622-329
BRKT-MOUNT REGULATOR BLK
Цена по
запросу
4
4016819
RELAY-SPST 12V 20A EPXY HFA
Цена по
запросу
5
4012829
RELAY SOLID STATE 9A LONG LD
Цена по
запросу
6
7518375
SCR-1/4-20X1.50 TR/TX-M
Цена по
запросу
7
2410720
SENSOR-CRANK POSITION
Цена по
запросу
8
7519224
SCR-HXFL-M6X1.0X20 8.8 ZY3D204
Цена по
запросу
9
3131705
TPS SENSOR ASM.
Цена по
запросу
10
4012838
ECU-BASE M17
Цена по
запросу
11
5438369-070
MNT-MID ECU BLK
Цена по
запросу
12
4013908
SENSOR-SPEED TRANS
Цена по
запросу
13
7519290
SCR-TXPH-#14X3/4 HI/LO CLR
Цена по
запросу
14
3234247
SCREW TAPPINGHEXHEAD1/4-20X.75
Цена по
запросу
15
7512026
Vis
Цена по
запросу
16
1911443
SWITCH-PARK BRAKE SVC
Цена по
запросу
17
3234302
O-RING -113
Цена по
запросу
18
2410835
SENSOR-PHASE CAM DI
Цена по
запросу

Узлы для