ELECTRICAL | ELECTRICAL, REGULATOR, CDI and COIL - A11GP52AA (49ATVELECT10OUT525)

ELECTRICAL | ELECTRICAL, REGULATOR, CDI and COIL - A11GP52AA (49ATVELECT10OUT525)
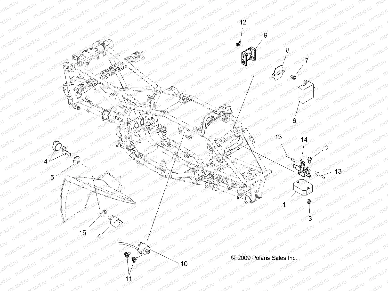
1
4012536
RECTIFIER-REGULATOR KOKUSAN
Цена по
запросу
2
7518533
BOLT-M6X1.0X20 HXHD FLG BLK
Цена по
запросу
3
7547339
NUT-M6X1.0 FLG-NYLOC-OLIVE D
Цена по
запросу
4
4012163
SWITCH-IGNITION MT SLV
Цена по
запросу
5
5433733
NUT IGNITION SWITCH
Цена по
запросу
6
4011668
CONTROLLER-IGN KOK
Цена по
запросу
7
7519066
SCR-HXFLTX-M6X1.0X15 8.8 ZOD
Цена по
запросу
8
5250906
PLATE-CDI MOUNT
Цена по
запросу
9
5413234
MOUNT-CDI
Цена по
запросу
10
4012392
COIL-IGNITION KOK 525 ATV
Цена по
запросу
11
7518196
SCR-10-24X3/4 PH/TX/TRI-SEMS Y
Цена по
запросу
12
7081305
CLIP-U SPEED NUT
Цена по
запросу
13
7621330
RIVET POP
Цена по
запросу
14
5252711-329
BRKT-MOUNT REG/SOLENOID BLK
Цена по
запросу
15
7556509
BUSHING
Цена по
запросу

Узлы для