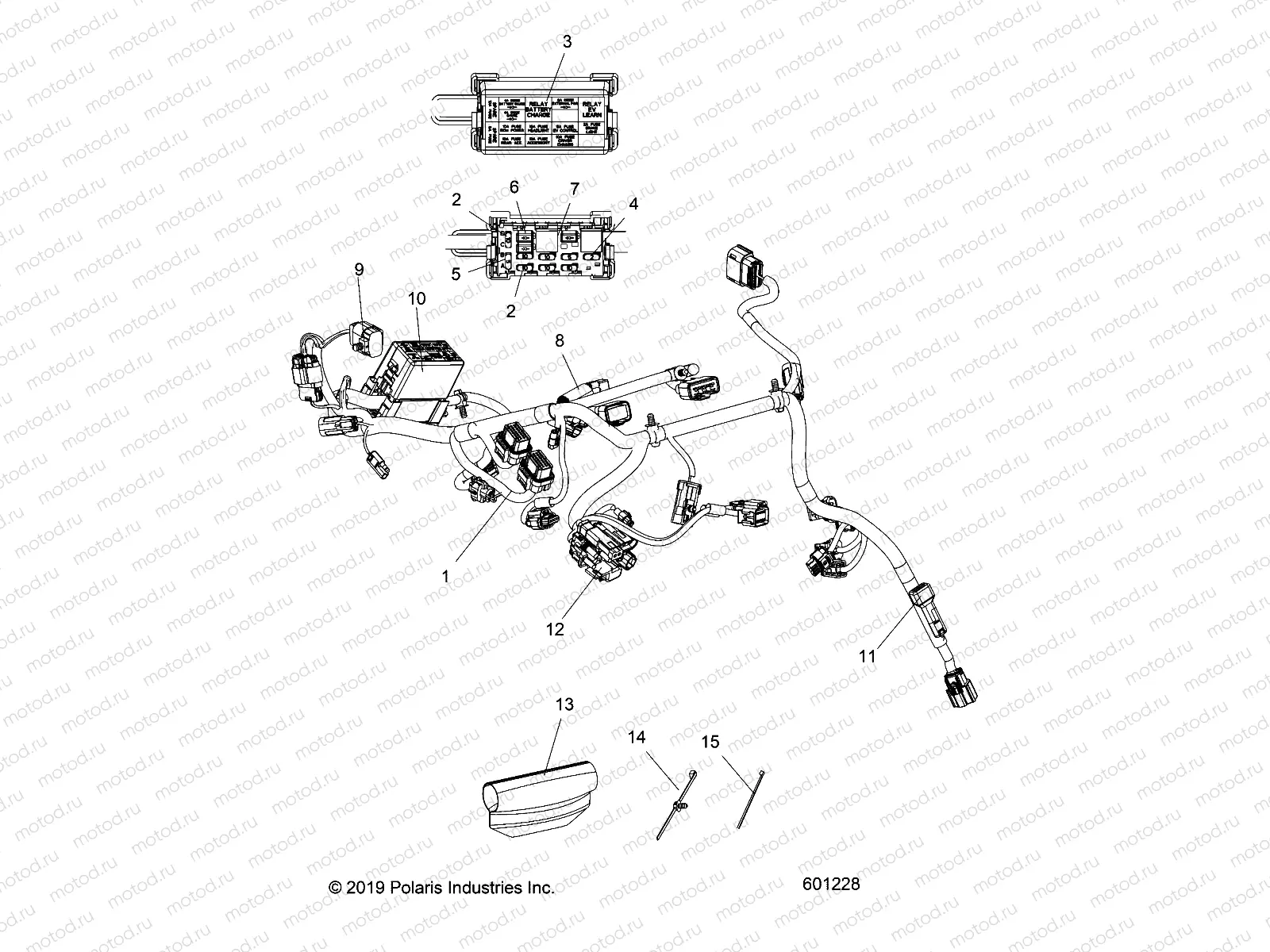
ELECTRICAL | ELECTRICAL, MAIN WIRE HARNESS - S22EFD8RS/EFE8RS ALL OPTIONS (601228)

ELECTRICAL | ELECTRICAL, MAIN WIRE HARNESS - S22EFD8RS/EFE8RS ALL OPTIONS (601228)
1
2414479
HARNESS-MAIN PREM 850
Цена по
запросу
2
2434016
FUSE IGN.10 AMP
Цена по
запросу
3
7189178
DECAL-RELAY/FUSE BLOCK
Цена по
запросу
4
4010752
FUSE-2AMP ATM BLADE STYLE MINI
Цена по
запросу
5
4011474
DIODE-6AMP
Цена по
запросу
6
4016819
RELAY-SPST 12V 20A EPXY HFA
Цена по
запросу
7
4011652
FUSE-5A MINI BLADE
Цена по
запросу
8
4018398
CLAMP-HARNESS FERRITE
Цена по
запросу
9
4012170
COVER-DIAGNOSTIC W/CLIP
Цена по
запросу
10
5438758
COVER-RELAY/FUSE CENTER
Цена по
запросу
11
4011441
CAPACITOR-FILTER
Цена по
запросу
12
4012260
COVER-FUSEHOLDER
Цена по
запросу
13
2687631
COVER-HARNESS LARGE
Цена по
запросу
14
7081496
CLIP-ROUTING
Цена по
запросу
15
7080492
CABLE TIE 11 INCH
Цена по
запросу
15
7080138
CABLE TIE
Цена по
запросу

Узлы для