ELECTRICAL | ELECTRICAL, LICENSE PLATE LIGHT, TURN SIGNAL AND HORN - Z15VBE87FK/JK (700056)

ELECTRICAL | ELECTRICAL, LICENSE PLATE LIGHT, TURN SIGNAL AND HORN - Z15VBE87FK/JK (700056)
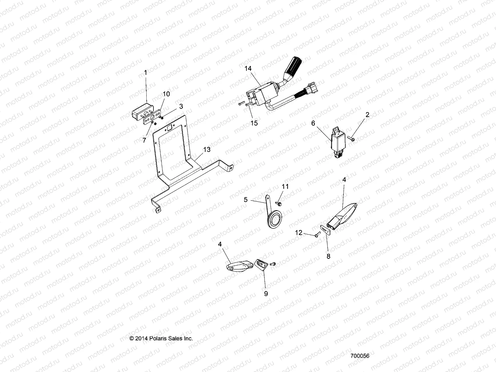
1
2410629
LIGHT-LICENSE PLATE BLACK
Цена по
запросу
2
7518158
SCR-#14X1 HI/LO-PH-PN TRX-M
Цена по
запросу
3
7546601
NUT NYLOK
Цена по
запросу
4
2411114-463
SIGNAL-TURN BLK
Цена по
запросу
5
4011579
HORN-DISC
Цена по
запросу
6
4013043
MODULE-FLASHER LED
Цена по
запросу
7
5134403
SPCR-LP LIGHT 5.0X8.0X4.0 AL
Цена по
запросу
8
5414650
MOUNT-BLINKER LH
Цена по
запросу
9
5414664
MOUNT-BLINKER RH
Цена по
запросу
10
5812520
SPACER-LP LIGHT
Цена по
запросу
11
7518529
SCR-M6X1.0X20 HXHD FLG TDFM BL
Цена по
запросу
12
7518546
Vis
Цена по
запросу
13
5260649-458
BRACKET, LICENSE PLATE, MATTE BLACK
Цена по
запросу
14
4015149
SWITCH-BLOCK TURN LIGHTS HORN
Цена по
запросу
15
7520223
SCR-HXBH-M5X0.8X22 10.9 ZB3
Цена по
запросу

Узлы для