ELECTRICAL | ELECTRICAL, IGNITION - Z17VAE87NK (700253)

ELECTRICAL | ELECTRICAL, IGNITION - Z17VAE87NK (700253)
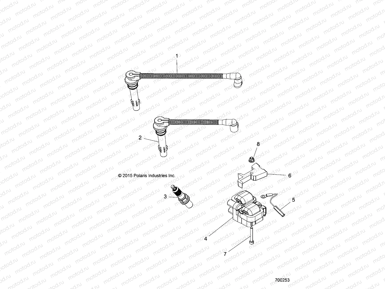
1
4017694
WIRE-SPARKPLUG MAG
Цена по
запросу
2
4017695
WIRE-SPARKPLUG PTO
Цена по
запросу
3
3022662
Bougie d'allumage
Цена по
запросу
4
2876049
KIT-IGNITION COIL TWIN EFI
Цена по
запросу
5
4014422
JUMPER COIL GROUND
Цена по
запросу
6
5436577
SPACER-COIL MOUNT
Цена по
запросу
7
7518780
SCR-M6X1.0X40 HX/SOC/CP-B
Цена по
запросу
8
7547274
NUT-M6 FLANGE NYLOK
Цена по
запросу

Узлы для