ELECTRICAL | ELECTRICAL, IGNITION SYSTEM - S21TKV8RS/8RE ALL OPTIONS (600941)

ELECTRICAL | ELECTRICAL, IGNITION SYSTEM - S21TKV8RS/8RE ALL OPTIONS (600941)
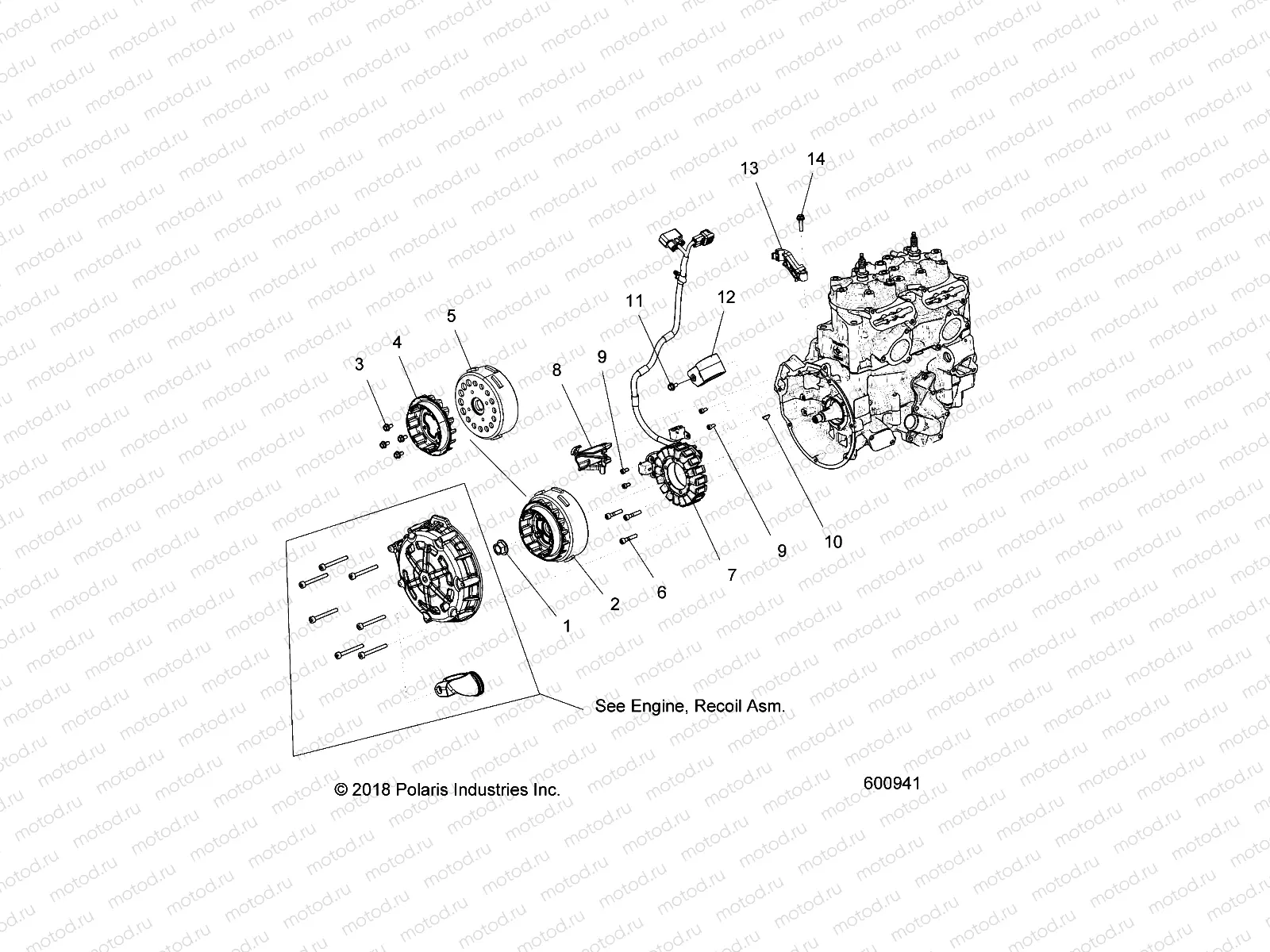
1
7518299
NUT-FLANGE M14X1.50 -D
Цена по
запросу
2
LR--
CALIPER, BRAKE, RH
Цена по
запросу
3
7519145
SCR-HXFL-M6X1.0X12 8.8 ZOD P30
Цена по
запросу
4
3023638
PULLEY-STARTER RECOIL
Цена по
запросу
5
4017455
FLYWHEEL-PBR RE 119MM
Цена по
запросу
6
7520893
SCR-M6X1.0X32 12.9 TORX
Цена по
запросу
7
4017454
STATOR-PBR SNO 119MM
Цена по
запросу
8
5455085
RETAINER-STATOR WIRE
Цена по
запросу
9
7517847
SCR-M5X0.8X10 SOC/CP-D
Цена по
запросу
10
7721117
KEY WOODRUFF
Цена по
запросу
11
7519145
SCR-HXFL-M6X1.0X12 8.8 ZOD P30
Цена по
запросу
12
5416524
SUPPORT-HOSE
Цена по
запросу
13
5455321
RETAINER-STATOR WIRE
Цена по
запросу
14
7517751
SCR-HXFLGHD M6X25 0600086
Цена по
запросу

Узлы для