ELECTRICAL | ELECTRICAL, IGNITION COIL MOUNTING - A13GH85AJ/EAK (49ATVIGNITION13850SCRAM)

ELECTRICAL | ELECTRICAL, IGNITION COIL MOUNTING - A13GH85AJ/EAK (49ATVIGNITION13850SCRAM)
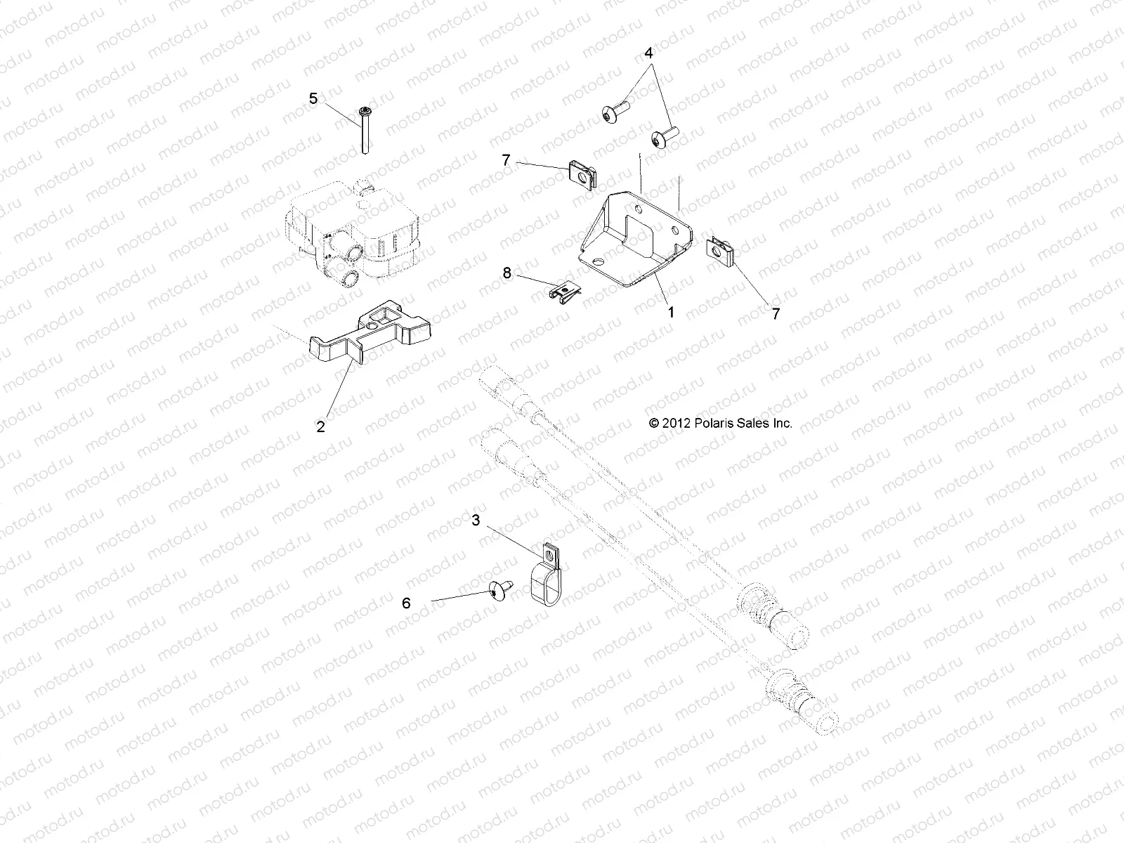
1
5256478-329
BRKT-COIL MOUNT BLK
Цена по
запросу
2
5436577
SPACER-COIL MOUNT
Цена по
запросу
3
7081364
CLAMP-DBL TUBE .562 VNLCOATED
Цена по
запросу
4
7515133
Vis
Цена по
запросу
5
7517566
SCREW 1.50
Цена по
запросу
6
7519092
SCR-TXTH-M6X1.0X15 ZPB TAP
Цена по
запросу
6
7518513
BOLT-M6X1.0X15 HXFLG TAP/R-OD
Цена по
запросу
7
7670096
NUT
Цена по
запросу
8
7670157
NUT-#10 U-TYPE AB(.025.150)
Цена по
запросу

Узлы для