ELECTRICAL | ELECTRICAL, HARNESSES - R18RVAD1B1 (701552)

ELECTRICAL | ELECTRICAL, HARNESSES - R18RVAD1B1 (701552)
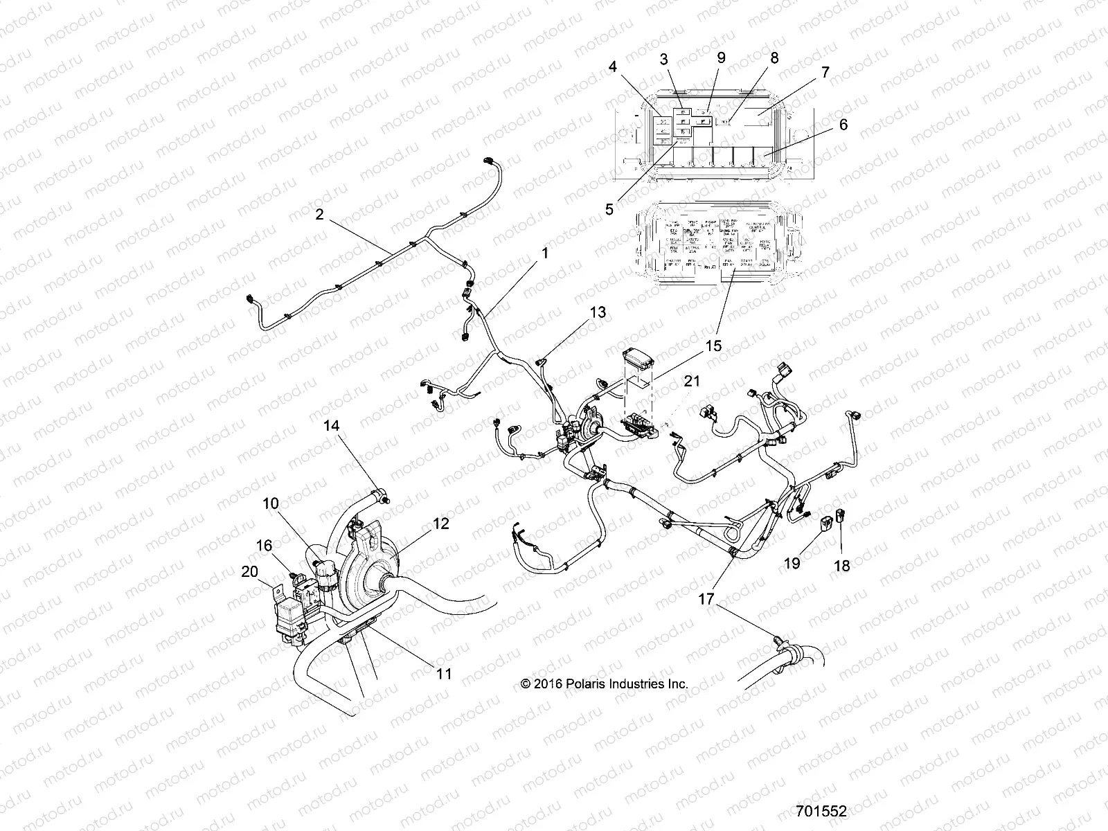
1
2412869
HARN-CHASSIS EPS CREW DSL
Цена по
запросу
2
2412870
HARN-BOX DSL
Цена по
запросу
3
4010859
FUSE-15AMP MINI BLADE
Цена по
запросу
4
2434015
FUSE MAIN 30 AMP
Цена по
запросу
5
4010859
FUSE-15AMP MINI BLADE
Цена по
запросу
6
4016819
RELAY-SPST 12V 20A EPXY HFA
Цена по
запросу
7
4011284
RELAY-SPDT SERIES 301 SEALED
Цена по
запросу
8
4011372
BREAKER-CIRCUIT 20 AMP
Цена по
запросу
9
4011652
FUSE-5A MINI BLADE
Цена по
запросу
10
4012170
COVER-DIAGNOSTIC W/CLIP
Цена по
запросу
11
4013200
TVS-30VOLT
Цена по
запросу
12
5414435
GROMMET-CHASSIS HARNESS
Цена по
запросу
13
5451468
BOOT-OIL PRESSURE SWITCH
Цена по
запросу
14
7081496
CLIP-ROUTING
Цена по
запросу
15
7180966
DECAL-FUSEBLOCK DSL
Цена по
запросу
16
7670101
CLIP X-MAS TREE
Цена по
запросу
17
7081916
STRAP-PANDUIT DBL LOOP 260MM
Цена по
запросу
18
4014235
CONNECTOR-CAP EPS POWER
Цена по
запросу
19
4014236
CONNECTOR-CAP EPS SIGNAL
Цена по
запросу
20
7670088
CLIP PLASTIC DART NYLON
Цена по
запросу
21
7518529
SCR-M6X1.0X20 HXHD FLG TDFM BL
Цена по
запросу

Узлы для