ELECTRICAL | ELECTRICAL, DASH INSTRUMENTS and CONTROLS - R18RTAD1B1/ED1N1 (700960)

ELECTRICAL | ELECTRICAL, DASH INSTRUMENTS and CONTROLS - R18RTAD1B1/ED1N1 (700960)
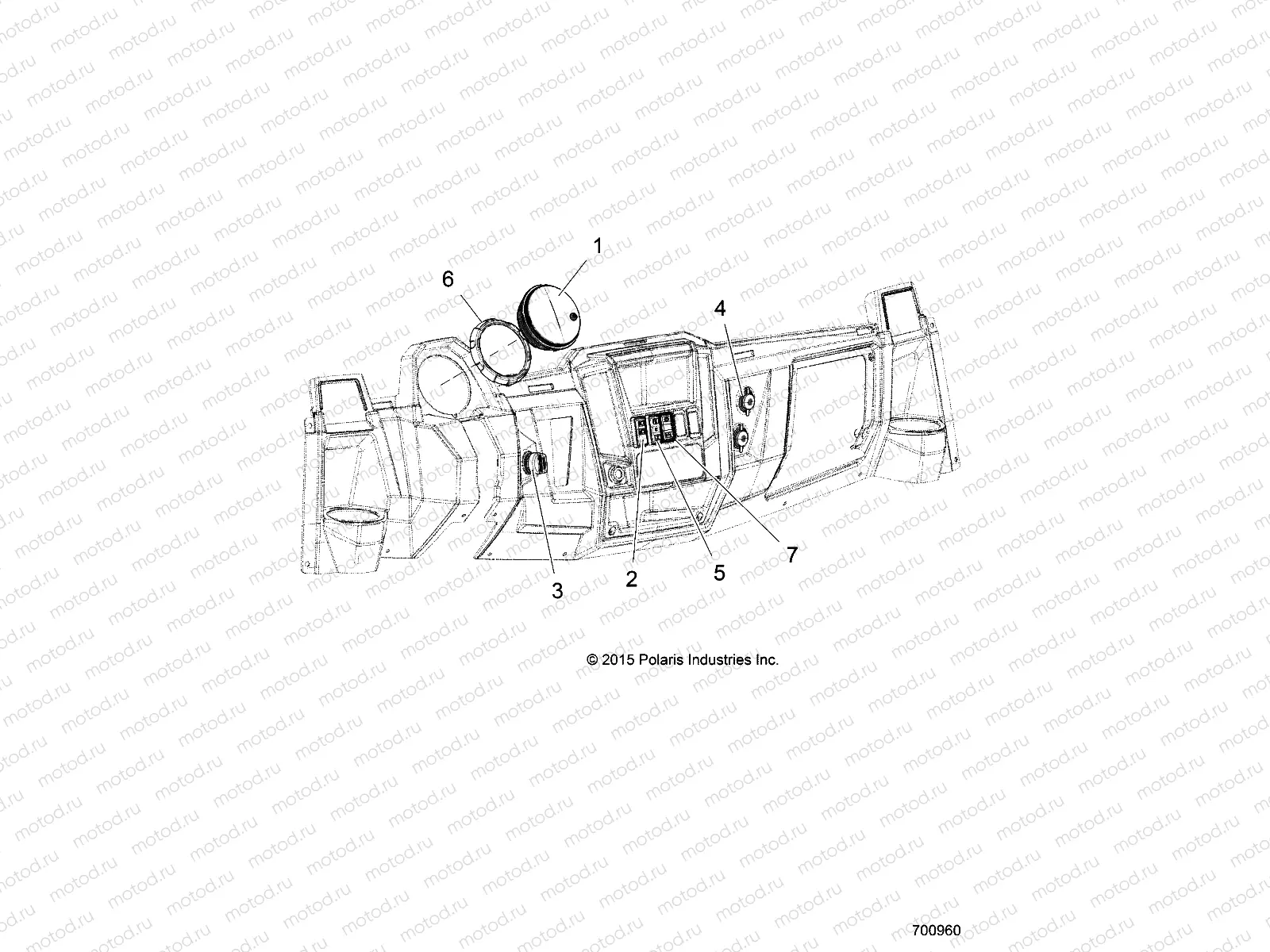
1
3280635
ASM-CLUSTER CPIA3 OSPS HPU
Цена по
запросу
1
5412138
MOUNT-RUBBER INSTR. CLUSTER
Цена по
запросу
2
4011115
SWITCH-HEADLIGHT
Цена по
запросу
3
4012165
SWITCH-KEY 3 POS MT SLV
Цена по
запросу
4
4012393
RECEPTACLE-POD MNT 12 VOLT
Цена по
запросу
5
4012747
SWITCH-AWD
Цена по
запросу
5
4015126
SWITCH-DRIVEMODE
Цена по
запросу
6
5438945
BEZEL-INSTRUMENT CLUSTER
Цена по
запросу
7
4015507
INDICATOR-PARK BRAKE TURN SIG
Цена по
запросу
7
5434192
PLUG-HOLE CARLING ROCKER SWTCH
Цена по
запросу

Узлы для