ELECTRICAL | ELECTRICAL, BATTERY - R16RMAE4G8/G9/N8 (700325)

ELECTRICAL | ELECTRICAL, BATTERY - R16RMAE4G8/G9/N8 (700325)
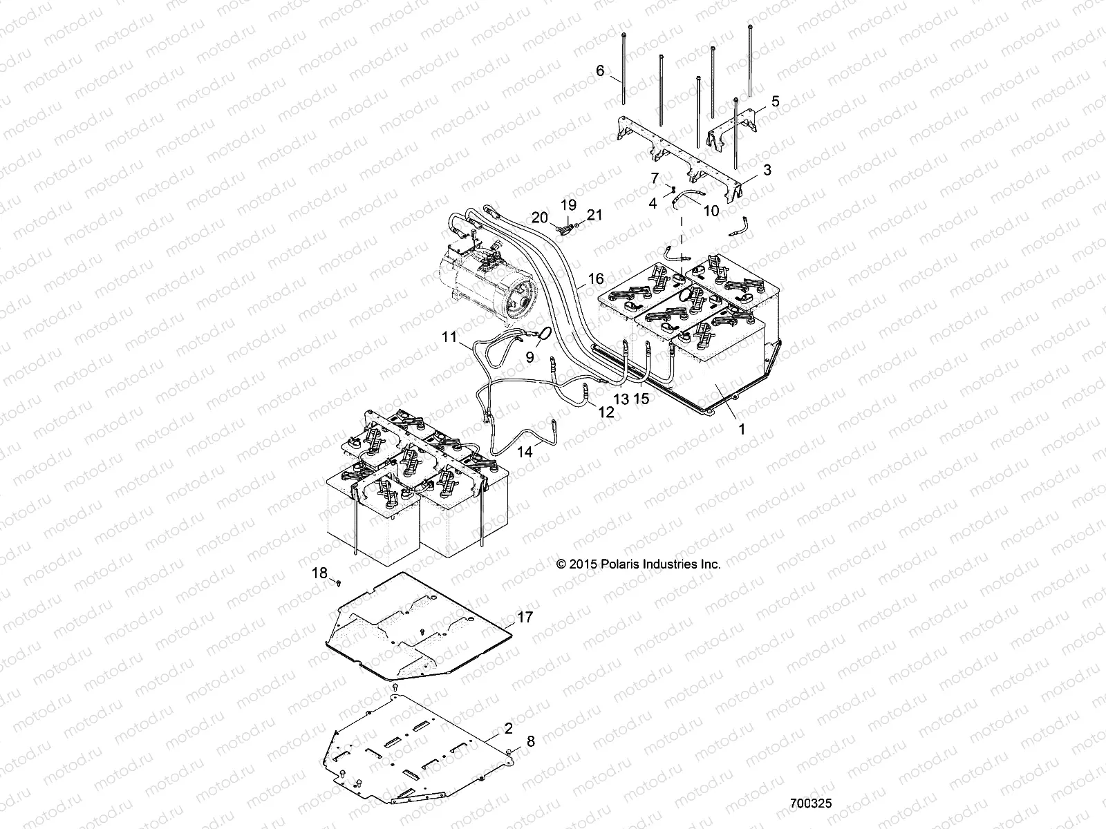
1
4014126
La batterie
Цена по
запросу
2
1017776-329
WELD-BATTERY TRAY BLK
Цена по
запросу
3
5438353
STRAP-BATTERY HOLD DOWN LONG
Цена по
запросу
4
7556528
WSHR-8.5X14.8X1.9 ZPC
Цена по
запросу
5
5438346
STRAP-BATTERY HOLD DOWN SHORT
Цена по
запросу
6
7519168
BOLT-M8X1.25-320MM HXFLG
Цена по
запросу
7
7542334
NUT
Цена по
запросу
8
7518555
BOLT-M8X1.25X20 HXFLG TAP/R-OD
Цена по
запросу
9
7080138
CABLE TIE
Цена по
запросу
10
4012513
CABLE-BATTERY-9.5 BLK
Цена по
запросу
10
4012763
CABLE-BATTERY SHORT
Цена по
запросу
11
4013583
CABLE-BATTERY POS
Цена по
запросу
12
4012765
CABLE-CONTROLLER CONTACTOR
Цена по
запросу
13
4015035
CABLE-MOTOR U
Цена по
запросу
14
4013584
CABLE-BATTERY NEG
Цена по
запросу
15
4015036
CABLE-MOTOR V
Цена по
запросу
16
4015037
CABLE-MOTOR W
Цена по
запросу
17
5438723
TUB-BATTERY
Цена по
запросу
18
7661855
RIVET-TUFLOK .315-.325X.787 (5
Цена по
запросу
19
7080869
CLAMP-P CUSHIONED 1.25 I.D.
Цена по
запросу
20
7518529
SCR-M6X1.0X20 HXHD FLG TDFM BL
Цена по
запросу
21
7547144
NUT NYLOK M8X1.25
Цена по
запросу

Узлы для