ELECTRICAL | ELECTRICAL, BATTERY - R10TH76/TY76 ALL OPTIONS (49RGRBATTERY108004X4)

ELECTRICAL | ELECTRICAL, BATTERY - R10TH76/TY76 ALL OPTIONS (49RGRBATTERY108004X4)
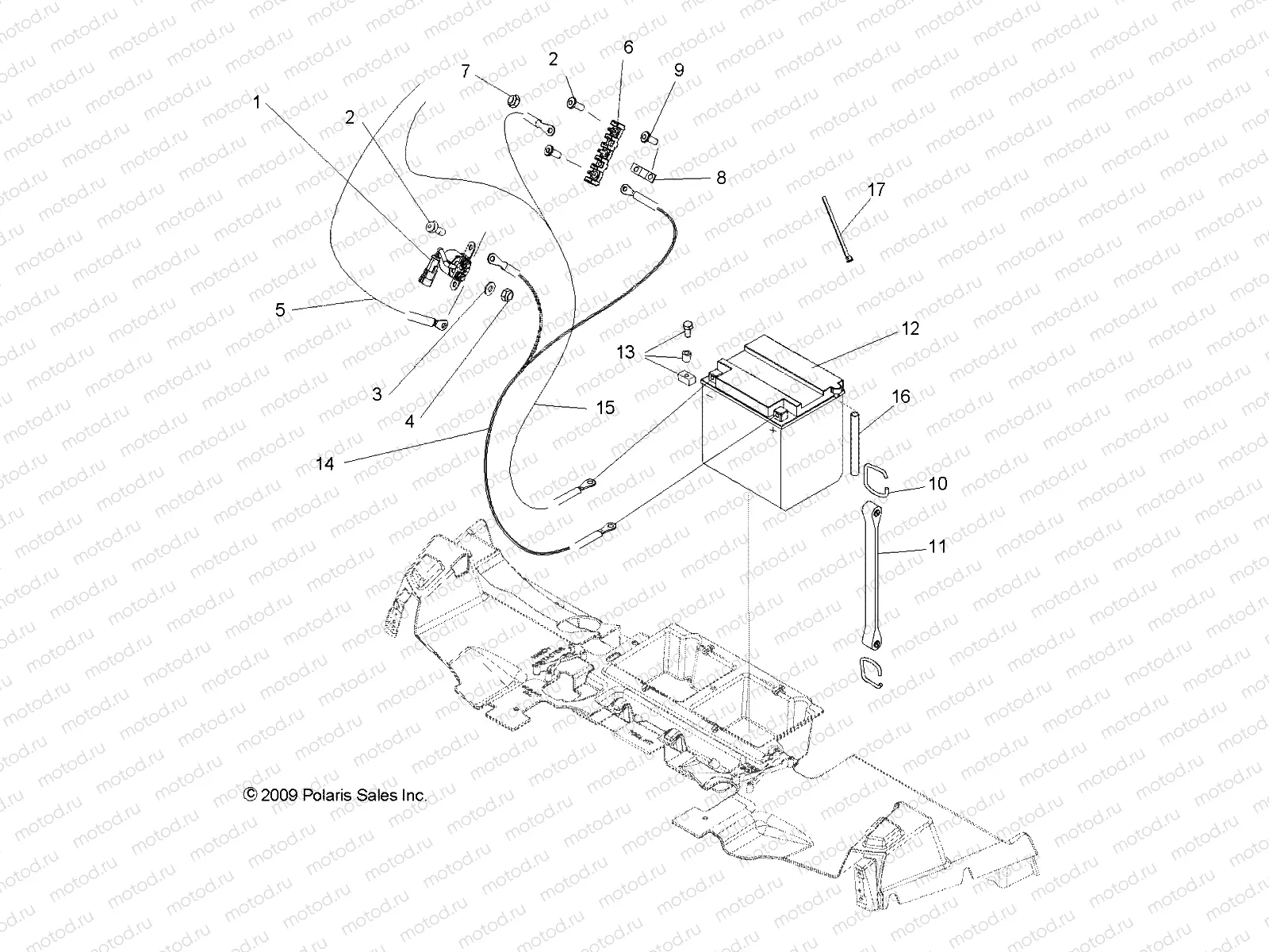
1
4012001
SOLENOID-STARTER-C1100
Цена по
запросу
2
7518196
SCR-10-24X3/4 PH/TX/TRI-SEMS Y
Цена по
запросу
3
7552801
Rondelle (Lock)
Цена по
запросу
4
7547270
NUT-HXFLGHD M6 SERRATED
Цена по
запросу
5
4012621
CABLE-SOLENOID/STARTER
Цена по
запросу
6
4011892
BLOCK-TERMINAL 3 POST
Цена по
запросу
7
7546601
NUT NYLOK
Цена по
запросу
8
5248659
STRAP-GROUND
Цена по
запросу
9
7512018
Vis
Цена по
запросу
10
7081123
HOOK-STRAP BATTERY
Цена по
запросу
11
5411054
STRAP RUBBER BATT.
Цена по
запросу
12
4016741
La batterie
Цена по
запросу
13
2202802
KIT-BATTERY BOLT
Цена по
запросу
14
4013172
CABLE-POSITIVE 13/16
Цена по
запросу
15
4012620
CABLE-GROUND SPLIT
Цена по
запросу
16
5433681
TUBE BATT.VENT 400 MM
Цена по
запросу
17
7080138
CABLE TIE
Цена по
запросу

Узлы для