ELECTRICAL - A06GP50AA (4999201899920189C03) | ELECTRICAL - A06GP50AA (4999201899920189C03)

ELECTRICAL - A06GP50AA (4999201899920189C03) | ELECTRICAL - A06GP50AA (4999201899920189C03)
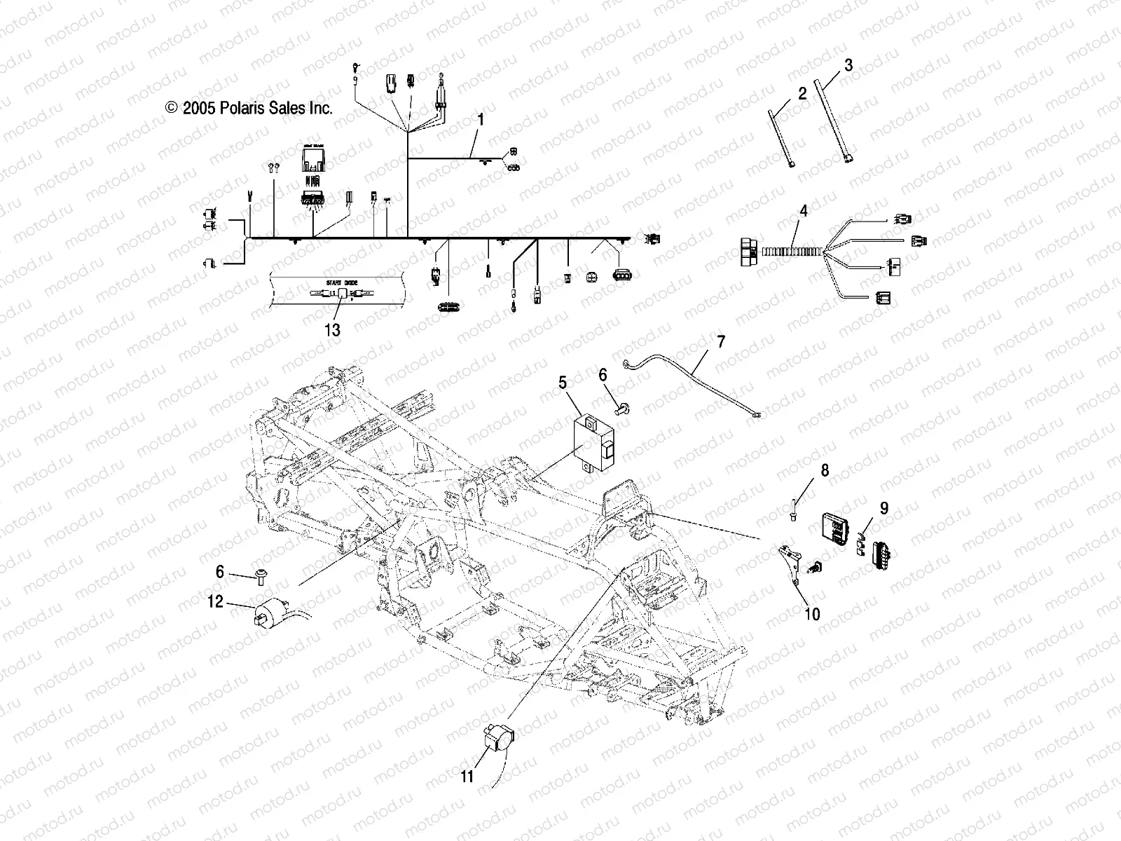
1
2202147
KIT-FUSIBLE LINK
Цена по
запросу
1
2410586
HARNESS-MAIN
Цена по
запросу
2
7080138
CABLE TIE
Цена по
запросу
3
7080492
CABLE TIE 11 INCH
Цена по
запросу
4
2410832
HARNESS-FRONT CAB
Цена по
запросу
5
3089613
ASM. CDI SYSTEM
Цена по
запросу
6
7518196
SCR-10-24X3/4 PH/TX/TRI-SEMS Y
Цена по
запросу
7
4011170
Cable, Ground, 13.75 Inch
Цена по
запросу
8
7621472
RIVET
Цена по
запросу
9
4011406
BREAKER-CIRCUIT 15 AMP
Цена по
запросу
9
4011371
BREAKER-CIRCUIT 10 AMP
Цена по
запросу
9
4011405
BREAKER-CIRCUIT 5 AMP
Цена по
запросу
10
5249577
BRKT-MOUNT FUSE BLOCK
Цена по
запросу
11
4012017
SOLENOID-STARTER RUBBER MNT
Цена по
запросу
12
3088053
ASM. IGNITION COIL
Цена по
запросу
13
2410694
DIODE-6AMP 1/4 TERM
Цена по
запросу

Узлы для