ELECTRICAL - A05CL50AA (4995019501C09) | ELECTRICAL - A05CL50AA (4995019501C09)

ELECTRICAL - A05CL50AA (4995019501C09) | ELECTRICAL - A05CL50AA (4995019501C09)
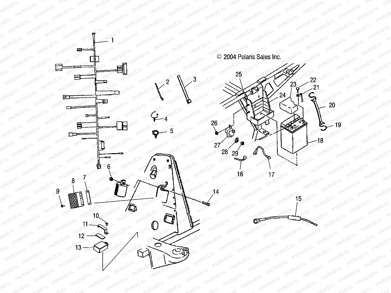
1
2410576
HARNESS-MAIN
Цена по
запросу
1
2204890
KIT-HARNESS RESISTOR MODULE
Цена по
запросу
2
7080138
CABLE TIE
Цена по
запросу
3
7080492
CABLE TIE 11 INCH
Цена по
запросу
4
7670109
CLIP-ROUTING
Цена по
запросу
5
4020139
CLIP ROSEBUD
Цена по
запросу
6
7541925
NUT NYLOK 10-24 Y
Цена по
запросу
7
5247782
HEAT-SINK-3.12X.62X.25
Цена по
запросу
8
2203348
KIT-SUREPOWER ECM 400\450\500
Цена по
запросу
9
7512018
Vis
Цена по
запросу
10
7512024
Vis
Цена по
запросу
11
5246747
BRKT-CDI DIGITAL LONG
Цена по
запросу
12
5810317
PAD,FUELTANK BRKT. Substituted by 8360026
Цена по
запросу
13
LR--
CALIPER, BRAKE, RH
Цена по
запросу
14
7512007
Vis
Цена по
запросу
15
2202147
KIT-FUSIBLE LINK
Цена по
запросу
16
4010093
CABLE SOL/STARTER
Цена по
запросу
17
4010094
CABLE BATT/SOLENOID RED
Цена по
запросу
18
4011138
BATTERY-SEALED 14AH ETX15
Цена по
запросу
19
7010032
HOOK-BATTERY STRAP
Цена по
запросу
20
5418182
STRAP-BATTERY HOLD DOWN-C
Цена по
запросу
21
4010095
CABLE BATT/ENG. BLK.
Цена по
запросу
22
2202848
KIT-BATTERY BOLT
Цена по
запросу
23
5431769
COVER BATTERY
Цена по
запросу
24
5810290
PAD BATTERY
Цена по
запросу
25
7512027
Vis
Цена по
запросу
26
7518287
NUT-#10-24 NYLOK INSERT
Цена по
запросу
27
4011251
SWITCH-MAGNETIC
Цена по
запросу
28
7552801
Rondelle (Lock)
Цена по
запросу
29
7547283
NUT-1/4-20 HX JAM-Y
Цена по
запросу

Узлы для