Электрика 1 для WR250Z (4JW4) 1995 YAMAHA WR 250 (VIN: 4JW)

ELECTRICAL 1
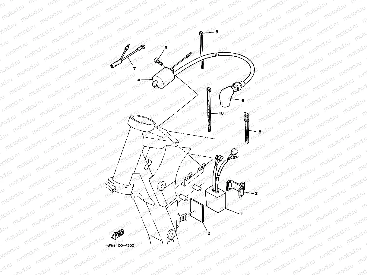
1
4EW-85540-00
CDI unit
Цена по
запросу
2
5H9-21376-00
Комплект
1 160 ₽
3
3RB-85547-01
Damper
Цена по
запросу
4
4JX-82310-00
Катушка зажигания
14 937 ₽
5
8DG-82370-00
Колпачок высоковольтный
2 956 ₽
7
5X1-82519-01
WIRE, EARTH LEAD
Цена по
запросу
8
25G-83936-01
Крепление
159 ₽
9
1UA-82591-00
Хомут
120 ₽
10
1UA-82591-00
Хомут
120 ₽

Узлы для