ELECTRICAL 1

ELECTRICAL 1
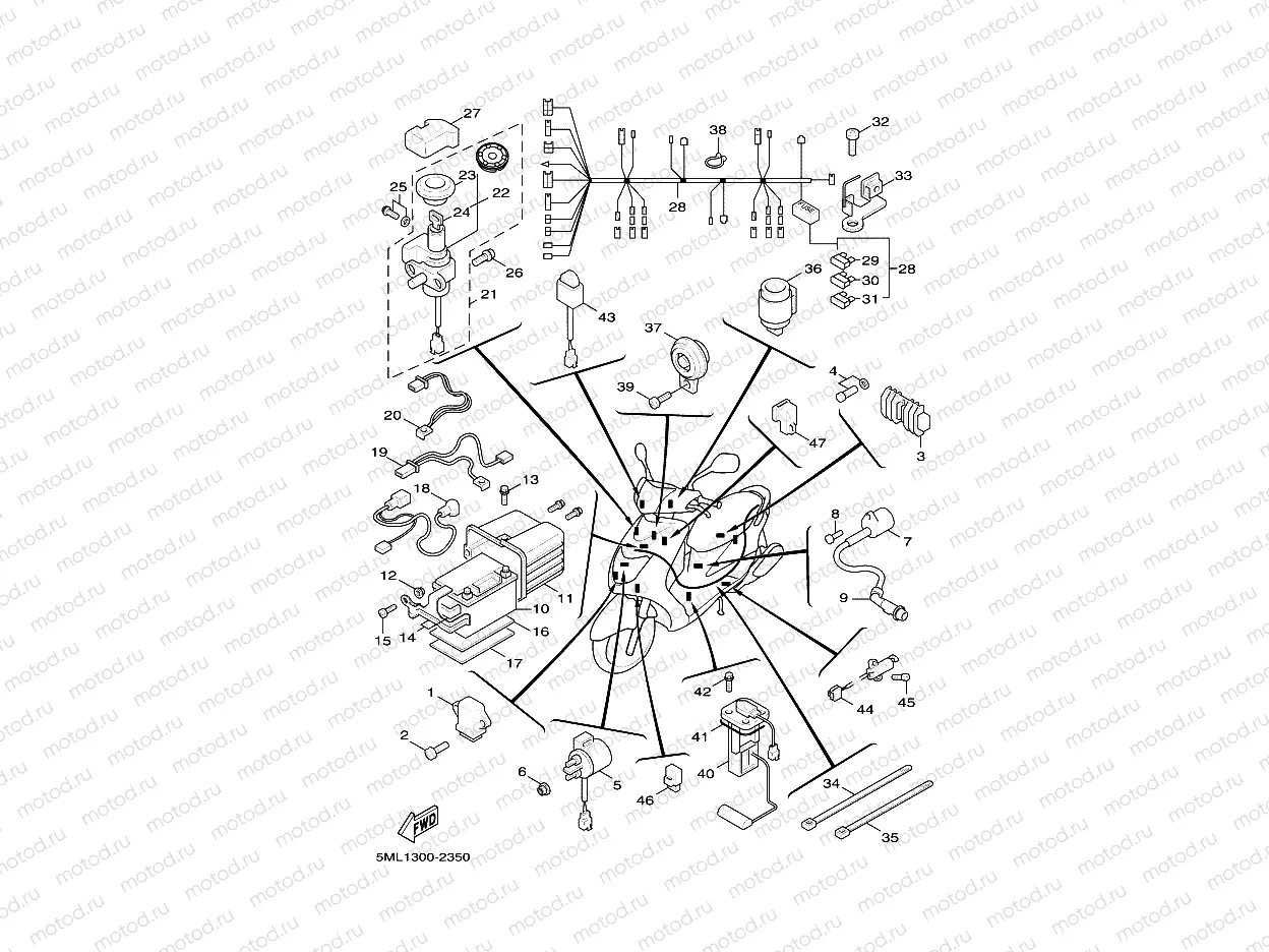
1
5ML-H5540-00
CDI unit
Цена по
запросу
2
97707-50014
Винт
136 ₽
3
5ML-H1960-00
Выпрямитель и регулятор
20 022 ₽
4
97607-06220
Винт с шайбой
136 ₽
5
5ML-H1940-00
Реле
6 829 ₽
6
95317-06700
Гайка
111 ₽
7
5ML-H2310-00
Катушка зажигания
5 929 ₽
8
98517-05020
Винт
191 ₽
9
5ML-H2370-21
Plug Cap Assy
2 337 ₽
10
9079R-24281
BATTERY ASSY
Цена по
запросу
11
5ML-H212B-00
ox, Battery 1
3 449 ₽
12
2GF-F1535-00
Nut 1
747 ₽
13
90109-063F1
Болт
159 ₽
14
5ML-X8213-00
Band Assy
2 305 ₽
15
98507-06016
Винт
191 ₽
16
5ML-H2122-00
SEAT, BATTERY
Цена по
запросу
17
5ML-H2121-00
PAD, BATTERY
Цена по
запросу
18
5ML-H2115-01
WIRE, PLUS LEAD
Цена по
запросу
19
5ML-H2116-00
WIRE, MINUS LEAD
Цена по
запросу
20
5ML-H2541-00
WIRE, LEAD
Цена по
запросу
21
5ML-82020-00
ock Set
29 563 ₽
22
5ML-H2501-00
AIN SWITCH STEERING LOCK
Цена по
запросу
22
5ML-H2501-10
AIN SWITCH STEERING LOCK
Цена по
запросу
23
5ML-H2552-00
CAP, SWITCH
Цена по
запросу
24
5ML-H2511-00-A0
KEY, MAIN SWITCH
Цена по
запросу
24
5ML-H2511-10-A0
KEY, MAIN SWITCH
Цена по
запросу
25
97607-05212
Screw, With Washer
159 ₽
26
90149-06811
Болт
191 ₽
27
5ML-H2155-01
Band
422 ₽
28
5ML-H2590-00
WIRE HARNESS ASSY
Цена по
запросу
29
5ML-H2151-00
Fuse (30A)
238 ₽
30
5ML-H2151-10
Предохранитель (15A)
302 ₽
31
5ML-H2151-20
Fuse (7.5A)
159 ₽
32
95707-06500
Гайка
95 ₽
33
5ML-H2915-00
older, Lever Under
1 295 ₽
34
90464-20258
Зажим
159 ₽
35
90464-12812
Clamp
509 ₽
36
5ML-H3350-00
Flasher Relay Assy
6 472 ₽
37
5ML-H3371-00
orn
6 053 ₽
38
90464-16801
Clamp
175 ₽
39
98507-06010
Винт
95 ₽
40
5ML-X8575-00
Sender Unit Assy
8 661 ₽
41
5G3-85753-00
Прокладка датчика
572 ₽
42
90119-05071
Болт
191 ₽
43
5FU-82560-40
Включатель сигнала (температура)
3 545 ₽
44
3LD-82566-40
Включатель сигнала подножки
6 922 ₽
45
98507-05014
Винт
152 ₽
46
4HC-81950-00
Реле
3 115 ₽
47
29U-81950-93
Реле
4 020 ₽

Узлы для