ELECTRIC STARTING AND IGNITION [MOD:HYM 939]

ELECTRIC STARTING AND IGNITION [MOD:HYM 939]
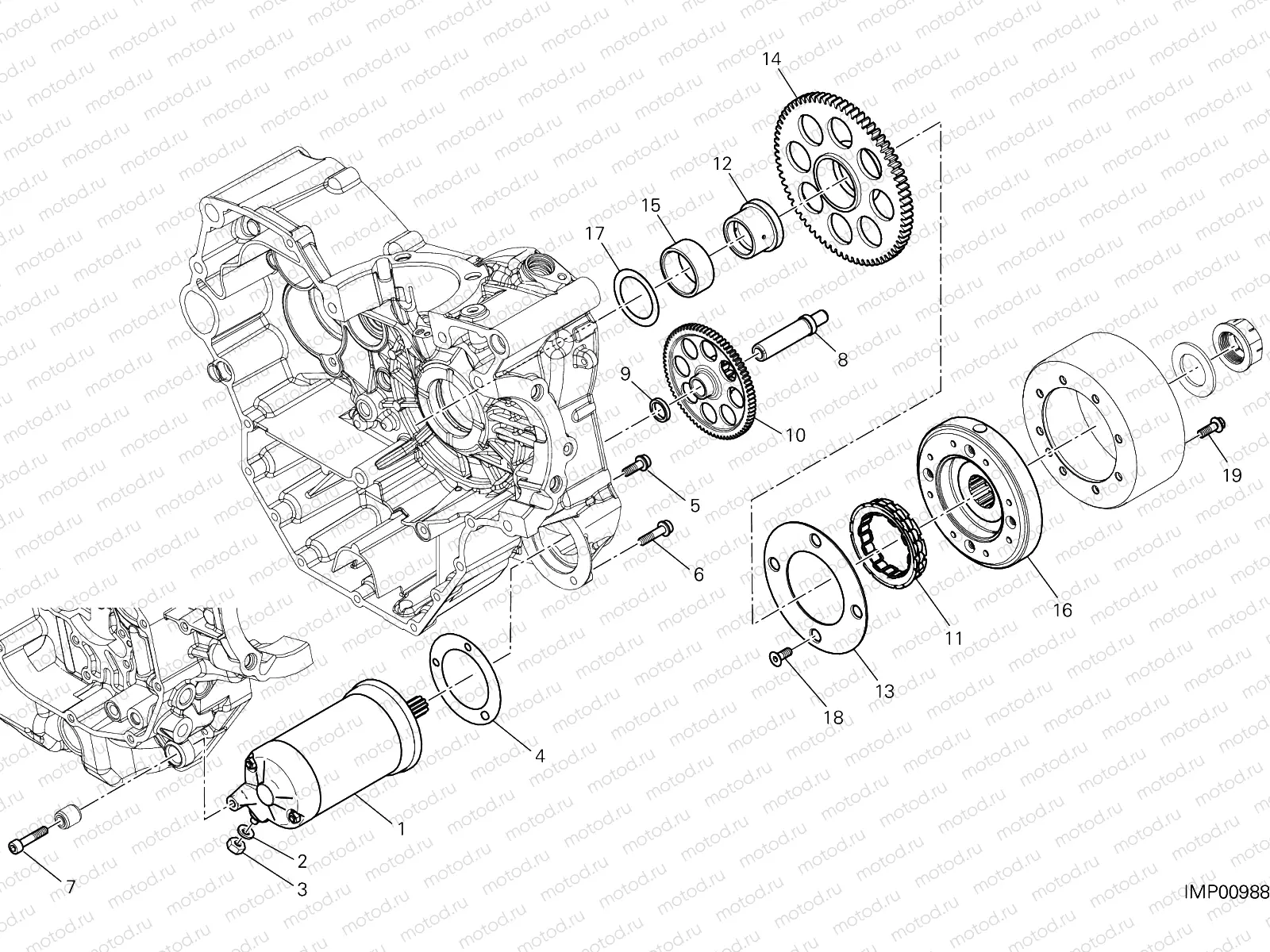
1
27040107A
Moteur de démarreur
1 шт. в узле
2
85310031A
Rondelle (spring)
1 шт. в узле
3
75011211A
Nut
1 шт. в узле
4
78810542A
Joint - démarreur
1 шт. в узле
5
77140667CF
Vis
2 шт. в узле
6
77140697CF
Vis
1 шт. в узле
7
77110521A
Vis
1 шт. в узле
8
82113471A
STARTER REDUCTION SHAFT
1 шт. в узле
9
71319191A
Entretoise
1 шт. в узле
10
176Z0021A
IDLE GEAR T74/13
1 шт. в узле
11
70140471A
Clutch, one way
1 шт. в узле
12
88110101C
.BUSH
1 шт. в узле
13
160Z0041A
PLATE
1 шт. в узле
14
17310291A
ELECTRIC STARTER DRIVEN GEAR
1 шт. в узле
15
70140031A
Needle bearing
1 шт. в узле
16
27610901A
IGNITION FLYWHEEL
1 шт. в узле
17
061950065
.THRUST WASHER 35.5X48
1 шт. в узле
18
77750508C
Vis
4 шт. в узле
19
77253300ZF
Vis

Узлы для