ELECTRIC STARTING AND IGNITION [MOD:HY939STR]

ELECTRIC STARTING AND IGNITION [MOD:HY939STR]
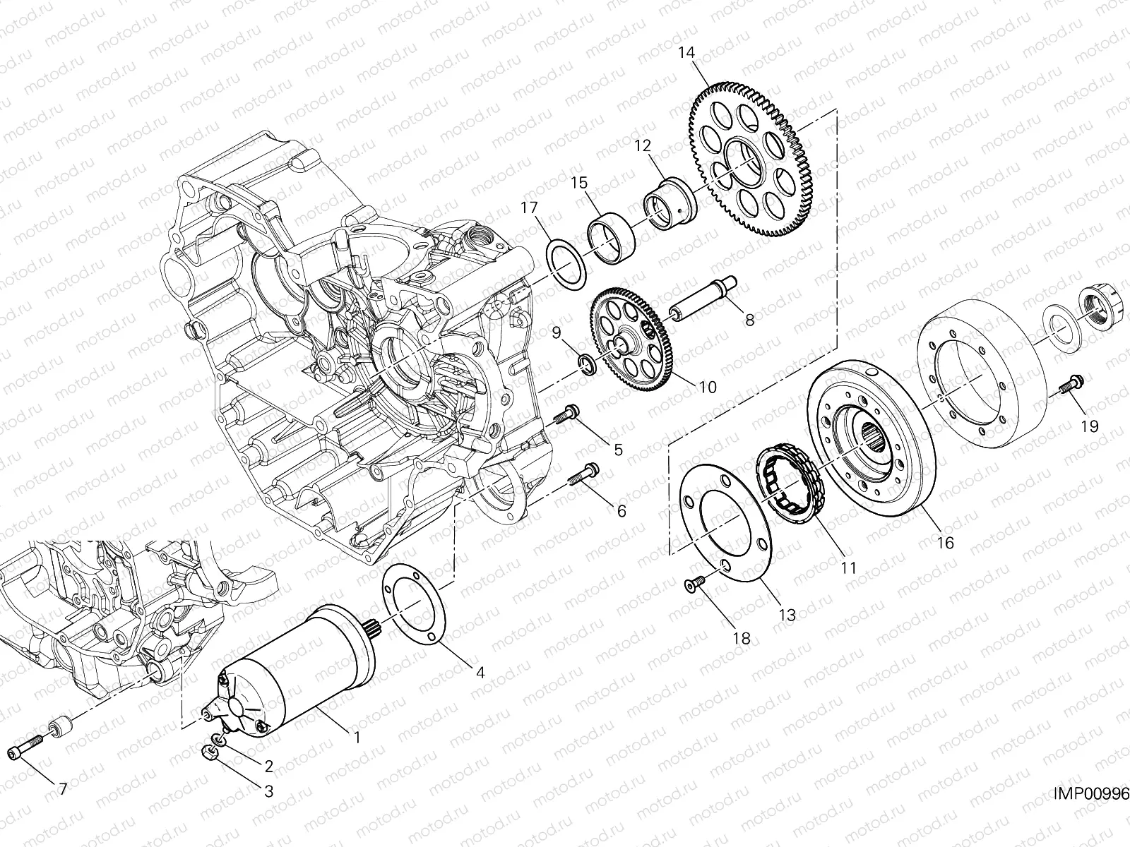
1
27040107A
Moteur de démarreur
Цена по
запросу
1 шт. в узле в узле
2
85310031A
Rondelle (spring)
Цена по
запросу
1 шт. в узле в узле
3
75011211A
Nut
Цена по
запросу
1 шт. в узле в узле
4
78810542A
Joint - démarreur
Цена по
запросу
1 шт. в узле в узле
5
77140667CF
Vis
Цена по
запросу
2 шт. в узле в узле
6
77140697CF
Vis
Цена по
запросу
1 шт. в узле в узле
7
77110521A
Vis
Цена по
запросу
1 шт. в узле в узле
8
82113471A
STARTER REDUCTION SHAFT
Цена по
запросу
1 шт. в узле в узле
10
176Z0021A
IDLE GEAR T74/13
Цена по
запросу
1 шт. в узле в узле
11
70140471A
Clutch, one way
Цена по
запросу
1 шт. в узле в узле
12
88110101C
.BUSH
Цена по
запросу
1 шт. в узле в узле
13
160Z0041A
PLATE
Цена по
запросу
1 шт. в узле в узле
14
17310291A
ELECTRIC STARTER DRIVEN GEAR
Цена по
запросу
1 шт. в узле в узле
15
70140031A
Needle bearing
Цена по
запросу
1 шт. в узле в узле
16
27611041A
COUPLING, FLYWHEEL
Цена по
запросу
1 шт. в узле в узле
17
061950065
.THRUST WASHER 35.5X48
Цена по
запросу
1 шт. в узле в узле
18
77750508C
Vis
Цена по
запросу
4 шт. в узле в узле
19
77253300ZF
Vis
Цена по
запросу

Узлы для