E-7 СТАРТЕР для NSR125RL NSR125R 1990 HONDA

E-7 STARTER ENGINE
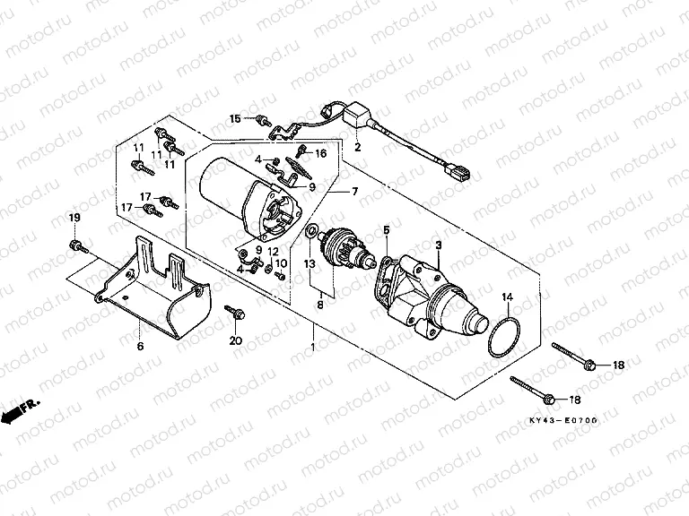
1
31200-KY4-903
Moteur de démarreur
Цена по
запросу
2
31201-KY4-901
SUB HARNESS A
Цена по
запросу
3
31203-KY4-901
COVER COMP., GEAR (MITSUB
Цена по
запросу
4
31204-KG8-004
Spring
322 ₽
5
31205-GC8-004
ASKET A
672 ₽
7
31208-KY4-901
MOTOR ONLY
Цена по
запросу
8
31209-KY4-902
PINION ASSY.
14 089 ₽
9
32101-KY4-901
Brosses de démarreur
1 368 ₽
10
Цена по
запросу
11
Цена по
запросу
12
90501-187-701
Rondelle (Spec.)
Цена по
запросу
13
90502-187-701
WASHER, PINION
307 ₽
14
91309-KG8-004
O-Ring
574 ₽
15
93892-040-0608
Screw-washer
47 ₽
16
93892-040-0808
Screw-washer
52 ₽
17
93892-050-2008
КРЕПЛЕНИЕ
50 ₽
18
95701-080-3508
БОЛТ
83 ₽

Узлы для