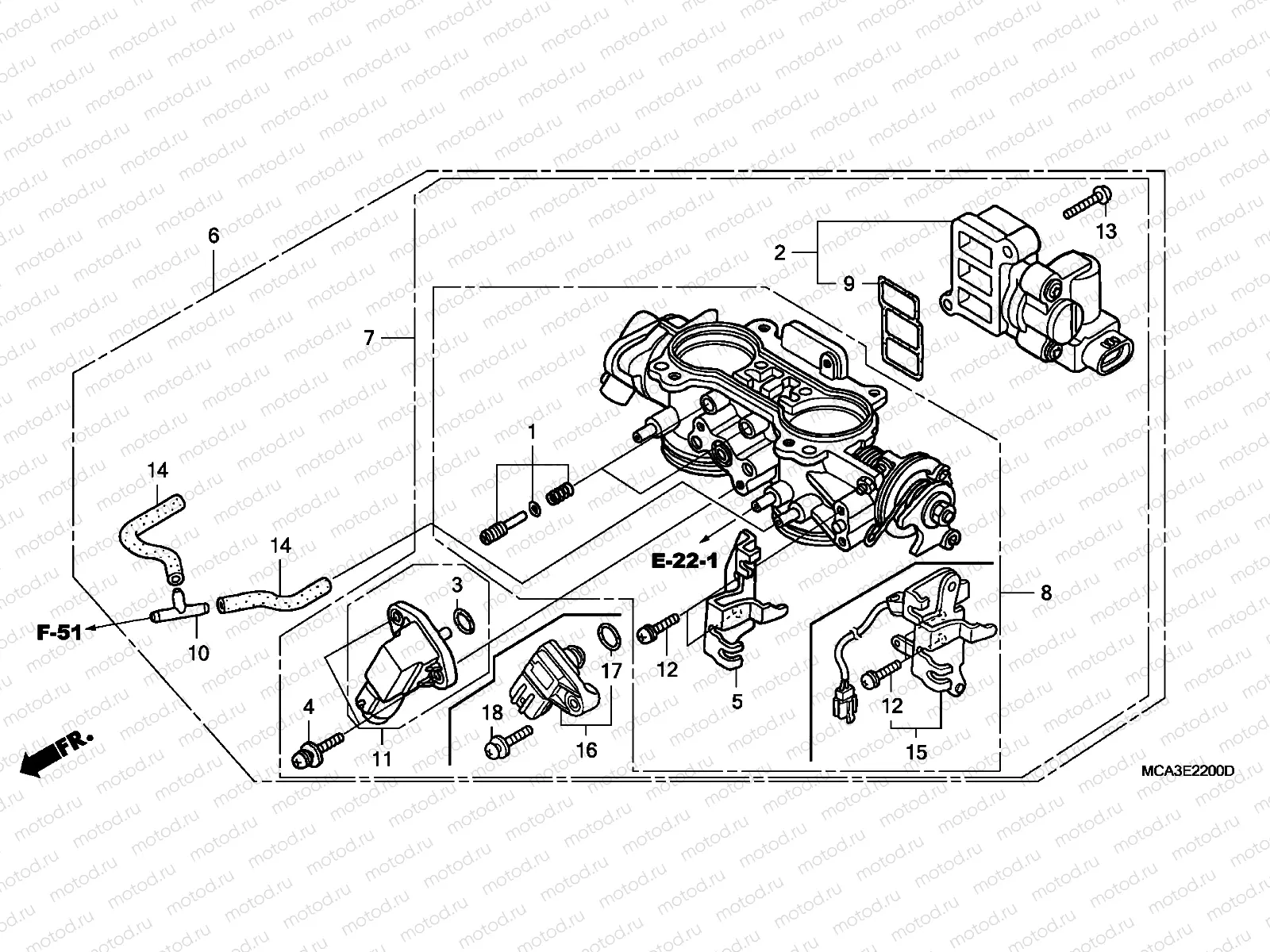
E-22 THROTTLE BODY

E-22 THROTTLE BODY
1
16016-MCA-013
Jeu de vis
1 466 ₽
2
16022-MCA-003
VALVE SET, ROTARY AIR CON
25 186 ₽
3
16075-P07-000
O-Ring
299 ₽
4
16080-P07-000
Vis
252 ₽
5
16119-MCA-003
STAY, WIRE
Цена по
запросу
6
16400-MCA-013
BODY ASSY., THROTTLE (GQ6
135 988 ₽
7
16400-MCA-D31
BODY ASSY., THROTTLE (GQ6
111 121 ₽
8
16410-MCA-D31
BODY SET
85 978 ₽
9
16456-P8A-A01
GASKET, ROTARY AIR CONTRO
291 ₽
10
17201-MG9-000
JOINT A, VACUUM TUBE
1 101 ₽
11
37011-MCA-003
SENSOR SET, MAP
16 457 ₽
12
93892-050-1200
Screw-washer
50 ₽
13
93892-050-2200
Screw-washer (5x22)
55 ₽
14
95005-350-8025
*95005-35001-20m
79 ₽
15
16023-MCA-A61
STAY, THROTTLE WIRE SETTI
Цена по
запросу
16
37830-PNC-003
SENSOR ASSY., MAP
21 216 ₽
17
37835-PGK-A01
O-Ring
197 ₽
18
93893-050-2208
Screw-washer (5x22)
63 ₽

Узлы для