E-2 RIGHT CRANKSHAFT COVER

E-2 RIGHT CRANKSHAFT COVER
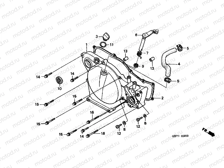
1
11330-GBF-J20
COVER COMP., R. CRANKCASE
25 133 ₽
2
11393-GBF-830
asket - clutch cover
1 557 ₽
3
15611-KA3-710
CAP, OIL FILLER
912 ₽
4
19501-GBF-830
Durite radiateur
Цена по
запросу
5
19505-KS6-700
CLAMP A, WATER HOSE
813 ₽
6
22810-GBF-830
LEVER COMP., CLUTCH
2 604 ₽
7
22815-GC4-600
SPRING, CLUTCH LEVER
Цена по
запросу
8
90543-273-000
PACKING, FR. FORK DRAIN C
215 ₽
9
91204-KK0-003
Joint
346 ₽
10
91211-671-003
Joint
645 ₽
11
91370-461-000
O-Ring
259 ₽
12
92301-060-100A
Bolt (6x10)
55 ₽
13
94301-08140
Dowel pin (8x14)
94 ₽
14
96001-060-2800
БОЛТ
79 ₽
15
96001-060-3500
БОЛТ
79 ₽
16
96001-060-5000
Болт
96 ₽

Узлы для