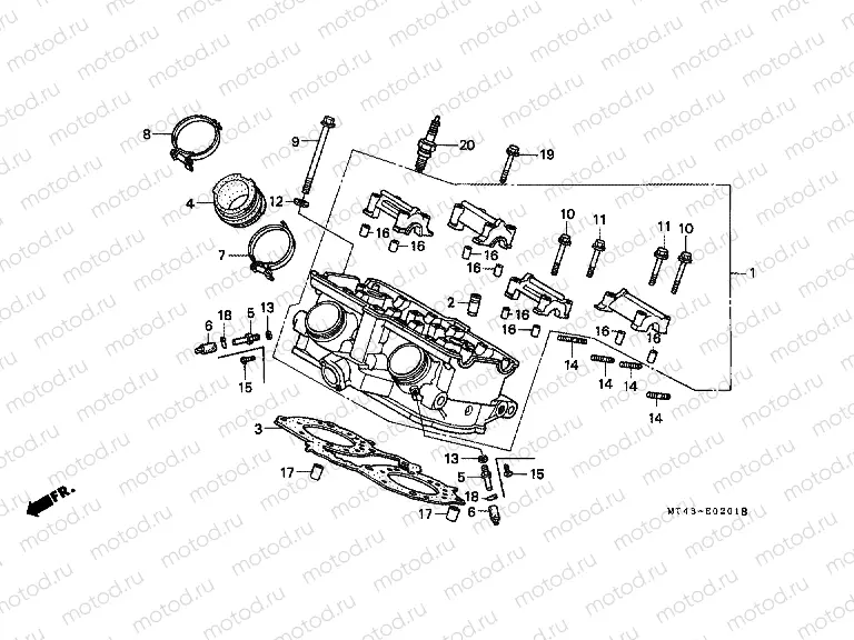
E-2-1 CYLINDER HEAD (REAR)

E-2-1 CYLINDER HEAD (REAR)
1
12010-MZ7-731
Cylinder head
2
12204-MT4-305
Guide de soupape
1 478 ₽
3
12251-MT4-014
Joint culasse
4
16211-MZ5-000
Pipe d’admission
3 930 ₽
5
16214-MB0-000
JOINT, BOOST
536 ₽
6
16215-MV4-000
CAP, BOOST
189 ₽
7
16219-MM4-000
Collier
705 ₽
8
16220-MM4-000
Collier
708 ₽
9
90007-ML7-920
Vis
959 ₽
10
90017-MA6-000
Vis
283 ₽
11
90019-MA6-000
Vis
283 ₽
12
90445-MM4-000
Rondelle (9 mm)
315 ₽
13
90452-323-000
Rondelle
212 ₽
14
92900-060-200E
Bolt
83 ₽
16
94301-08140
Dowel pin (8x14)
94 ₽
17
94301-12200
Dowel pin
110 ₽
18
95002-02070
Collier
47 ₽
19
95701-060-5000
Bolt
83 ₽
20
98059-59926
Bougie d'allumage
1 297 ₽

Узлы для