E-2-1 CYLINDER HEAD (REAR)

E-2-1 CYLINDER HEAD (REAR)
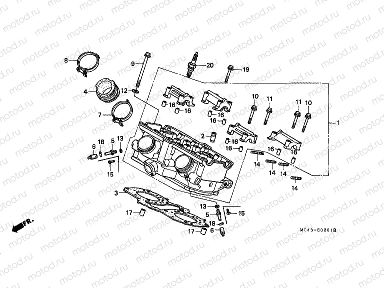
1
12010-MY7-000
Cylinder head
2
12204-MT4-305
Guide de soupape
1 478 ₽/шт
3
12251-MT4-014
Joint culasse
4
16211-MT4-000
Pipe d’admission
1 601 ₽/шт
7
16219-MM4-000
Collier
705 ₽/шт
8
16220-MM4-000
Collier
708 ₽/шт
9
90007-ML7-920
Vis
959 ₽/шт
10
90017-MA6-000
Vis
283 ₽/шт
11
90019-MA6-000
Vis
283 ₽/шт
12
90445-MM4-000
Rondelle (9 mm)
315 ₽/шт
13
90452-323-000
Rondelle
212 ₽/шт
14
92900-060-200E
Bolt
83 ₽/шт
15
93500-050-080A
Болт
41 ₽/шт
16
94301-08140
Dowel pin (8x14)
94 ₽/шт
17
94301-12200
Dowel pin
110 ₽/шт
19
95701-060-5000
Bolt
83 ₽/шт
20
98059-59926
Bougie d'allumage
1 297 ₽/шт

Узлы для