E-2-1 CYLINDER HEAD (REAR)

E-2-1 CYLINDER HEAD (REAR)
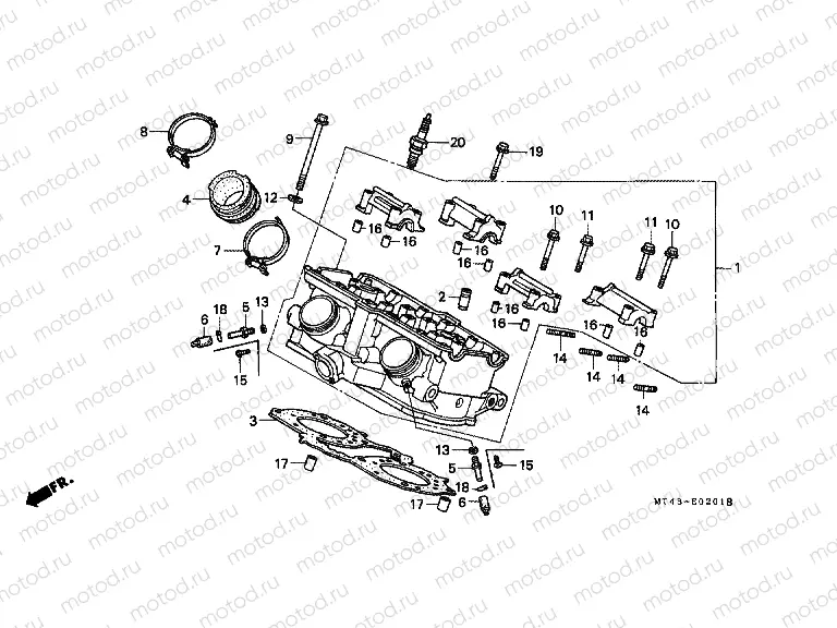
1
12010-MY7-000
Cylinder head
Цена по
запросу
2
12204-MT4-305
Guide de soupape
1 478 ₽
3
12251-MT4-014
Joint culasse
Цена по
запросу
4
16211-MT4-000
Pipe d’admission
1 601 ₽
7
16219-MM4-000
Collier
705 ₽
8
16220-MM4-000
Collier
708 ₽
9
90007-ML7-920
Vis
959 ₽
10
90017-MA6-000
Vis
283 ₽
11
90019-MA6-000
Vis
283 ₽
12
90445-MM4-000
Rondelle (9 mm)
315 ₽
13
90452-323-000
Rondelle
212 ₽
14
92900-060-200E
Bolt
83 ₽
15
93500-050-080A
Болт
41 ₽
16
94301-08140
Dowel pin (8x14)
94 ₽
17
94301-12200
Dowel pin
110 ₽
19
95701-060-5000
Bolt
83 ₽
20
98059-59926
Bougie d'allumage
1 297 ₽

Узлы для