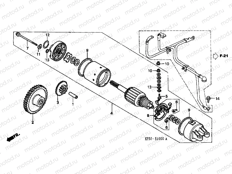
E-10 STARTER ENGINE

E-10 STARTER ENGINE
1
28102-KFG-000
SHAFT, STARTER REDUCTION
Цена по
запросу
2
28110-KFG-000
EAR COMP., STARTING DRIV (53T)
7 803 ₽
3
28130-KFG-000
EAR, STARTER REDUCTION ( (11T/54T)
4 729 ₽
4
31200-KTB-003
Moteur de démarreur
47 974 ₽
5
31201-KS5-901
Brosses de démarreur
1 590 ₽
6
31204-KS5-901
PRING, CARBON BRUSH
338 ₽
7
31205-KL8-711
Vis
291 ₽
8
31206-KW1-901
it de réparation de démarreur
1 590 ₽
9
31207-KS5-901
Gasket
346 ₽
10
90071-MB0-000
Nut (6 mm)
236 ₽
11
90122-MN4-008
WASHER, STEEL PLATE
204 ₽
12
91312-MG7-003
O-Ring (24,4x3,1)
676 ₽
13
91320-MB0-000
O-Ring
225 ₽
14
95701-060-2200
Bolt, flange, 6x22
69 ₽

Узлы для