E-10 СТАРТЕР для NSS250X7 FORZA X 2007 HONDA (VIN: MF08A)

E-10 STARTER ENGINE
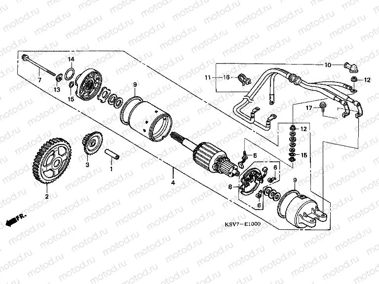
1
28102-KFG-000
SHAFT, STARTER REDUCTION
Цена по
запросу
2
28110-KSV-J10
GEAR COMPSTARTIN
10 411 ₽
3
28131-KSV-J10
GEARSTARTER REDU (60T/13T)
6 702 ₽
4
31200-KSV-J11
Moteur de démarreur
50 286 ₽
5
31201-KS5-901
Brosses de démarreur
1 590 ₽
6
31204-KS5-901
PRING, CARBON BRUSH
338 ₽
291 ₽
8
31206-KW1-901
it de réparation de démarreur
1 590 ₽
9
31207-KS5-901
Gasket
346 ₽
10
32411-230-000
COVER,TERMINAL
448 ₽
11
32610-KSV-J10
CABLEBATT EARTH
6 298 ₽
12
90071-MB0-000
Nut (6 mm)
236 ₽
13
90122-MN4-008
WASHER, STEEL PLATE
204 ₽
14
91312-MG7-003
O-Ring (24,4x3,1)
676 ₽
15
91320-MB0-000
O-Ring
225 ₽
16
91540-S30-003
CLIP, HARNESS BAND (NATUR
275 ₽
17
95701-060-2200
Bolt, flange, 6x22
69 ₽

Узлы для