DRIVE TRAIN | DRIVE TRAIN, MAIN GEARCASE MOUNTING - Z17VFE99AM/AW/LW/AP/M99AB (49RGRTRANSMTG14RZR1000)

DRIVE TRAIN | DRIVE TRAIN, MAIN GEARCASE MOUNTING - Z17VFE99AM/AW/LW/AP/M99AB (49RGRTRANSMTG14RZR1000)
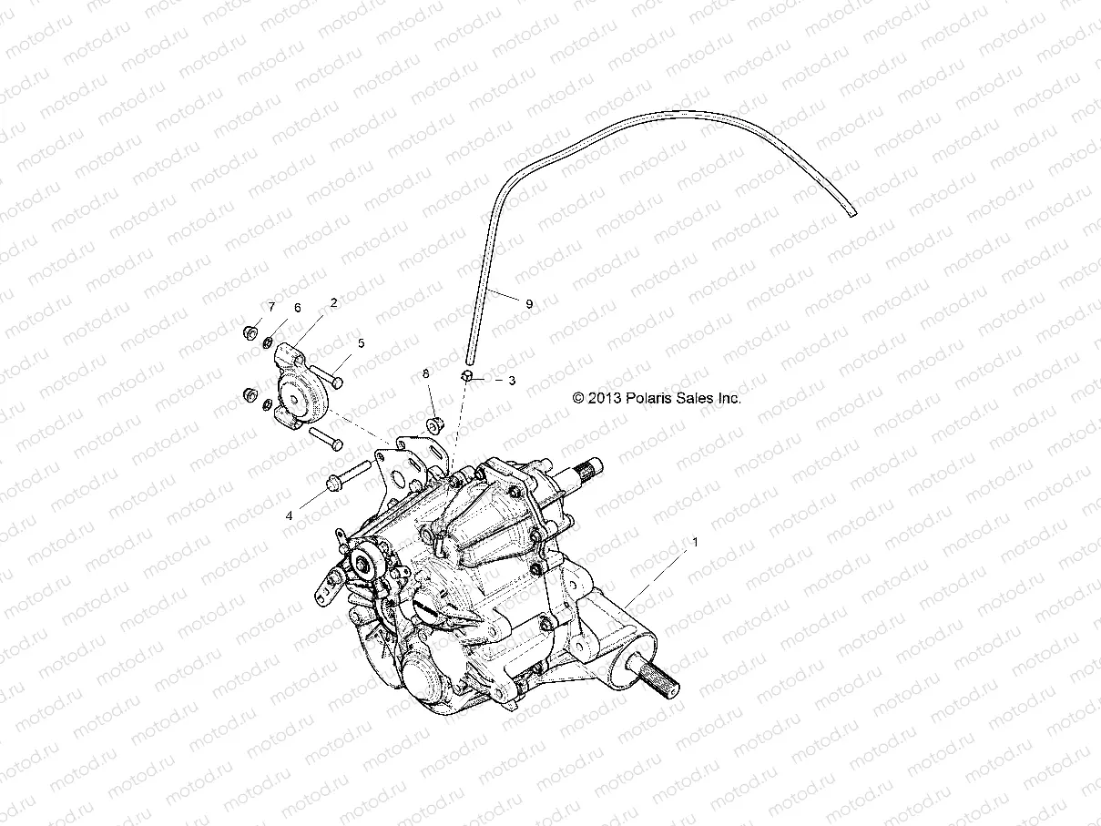
1
LR--
CALIPER, BRAKE, RH
Цена по
запросу
2
1333242
MOUNT-ISOLATOR 70 DURO
Цена по
запросу
3
7081432
CLAMP-HOSE 17/32 GREEN
Цена по
запросу
4
7518563
BOLT-M10X1.25X60 HXFLG-OLIVE D
Цена по
запросу
5
7519097
SCR-HH M8X1.25X45 8.8 ZOD
Цена по
запросу
6
7547030
PALNUT
Цена по
запросу
7
7547332
NUT-M8X1.25 FLG NYLOC-OLIVE D
Цена по
запросу
8
7547333
NUT-M10X1.25 FLG NYLOC-OLIVE D
Цена по
запросу
9
8450040-100
FUEL LINE 1/4SAE #30R7 100CM
Цена по
запросу
9
8450040-133
FUEL LINE 1/4SAE #30R7 133CM
Цена по
запросу

Узлы для