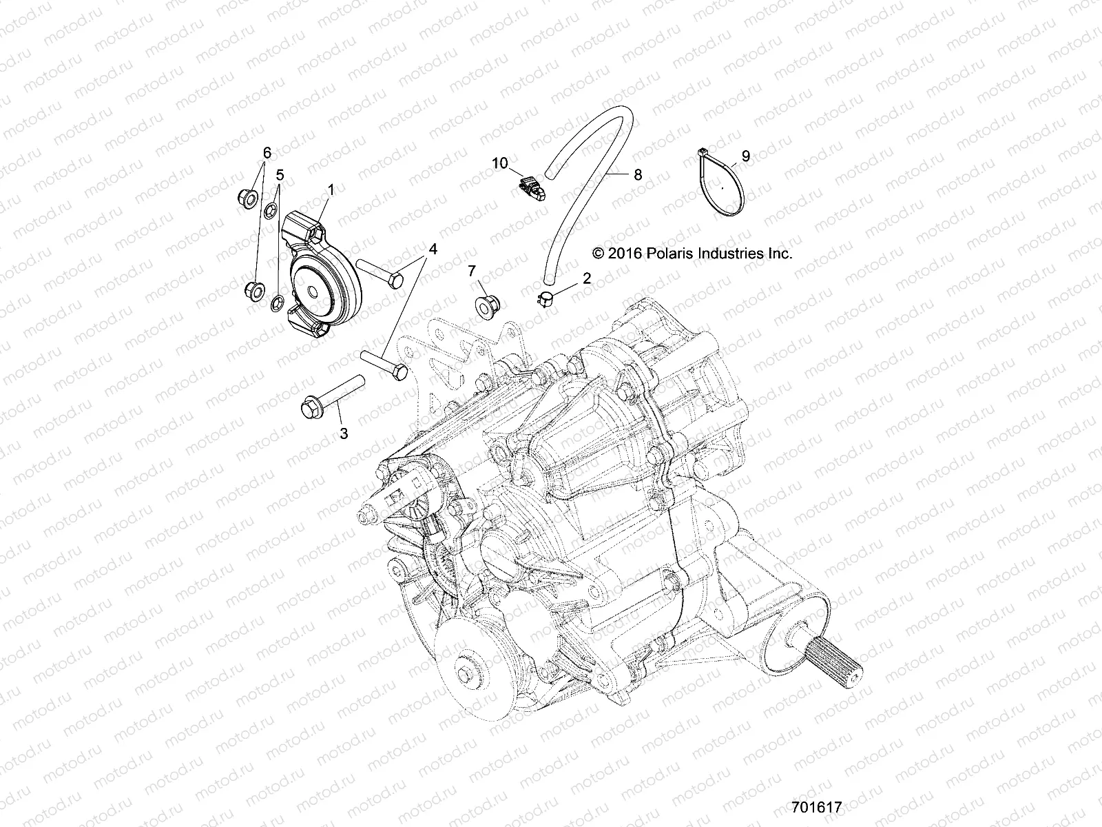
DRIVE TRAIN | DRIVE TRAIN, MAIN GEARCASE MOUNTING - D17B3/4PD1AJ (701617)

DRIVE TRAIN | DRIVE TRAIN, MAIN GEARCASE MOUNTING - D17B3/4PD1AJ (701617)
1
1332955
MOUNT-ISOLATOR DRIVELINE
Цена по
запросу
2
7080307
CLAMP HOSE
Цена по
запросу
3
7518563
BOLT-M10X1.25X60 HXFLG-OLIVE D
Цена по
запросу
4
7519097
SCR-HH M8X1.25X45 8.8 ZOD
Цена по
запросу
5
7547030
PALNUT
Цена по
запросу
6
7547332
NUT-M8X1.25 FLG NYLOC-OLIVE D
Цена по
запросу
7
7547333
NUT-M10X1.25 FLG NYLOC-OLIVE D
Цена по
запросу
8
8450040-67
FUEL LINE-67 CENTIMETERS
Цена по
запросу
9
7080138
CABLE TIE
Цена по
запросу
10
7081808
STRAP-CABLE TIE W/EDGE CLIP
Цена по
запросу

Узлы для