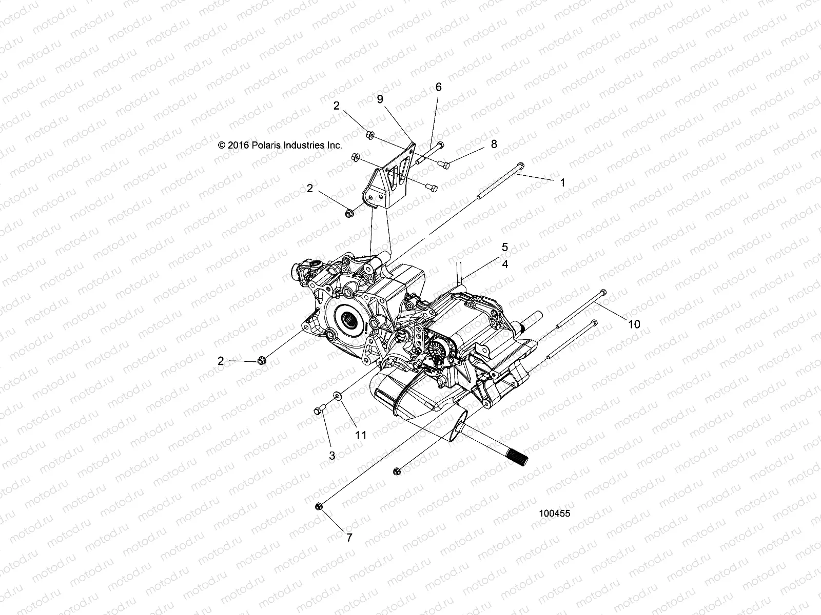
DRIVE TRAIN | DRIVE TRAIN, MAIN GEARCASE MOUNTING - A18S6E57B1

DRIVE TRAIN | DRIVE TRAIN, MAIN GEARCASE MOUNTING - A18S6E57B1
1
7518365
Vis
Цена по
запросу
2
7547180
NUT-FLANGED 3/8-16 NYLON-Z (10
Цена по
запросу
3
7518006
SCR-3/8-16X1-HX/CP-GR5-P80-Y
Цена по
запросу
4
7081432
CLAMP-HOSE 17/32 GREEN
Цена по
запросу
5
8450040-175
FUEL LINE 1/4SAE #30R7 175CM
Цена по
запросу
6
7517646
Vis
Цена по
запросу
7
7542343
NUT FLANGE
Цена по
запросу
8
7515522
Vis
Цена по
запросу
9
5254309-329
SUPPORT-TRANS UPPER E-COAT
Цена по
запросу
10
7518648
SCR-5/16-18X7.5 HXCP GR Y
Цена по
запросу
11
7556242
WASHER-.385X.88X.075 FL-Y THR
Цена по
запросу

Узлы для