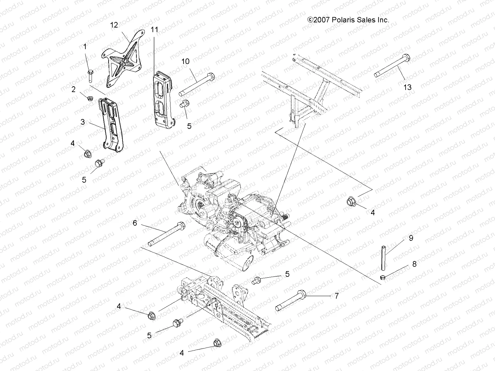
DRIVE TRAIN | DRIVE TRAIN, MAIN GEARCASE MOUNTING - A11DH50FX (49ATVGEARCASEMTG08SPTRG500)

DRIVE TRAIN | DRIVE TRAIN, MAIN GEARCASE MOUNTING - A11DH50FX (49ATVGEARCASEMTG08SPTRG500)
1
7518876
SCR-5/16-18X2 HX/FL GR 5-Y
Цена по
запросу
2
7542343
NUT FLANGE
Цена по
запросу
3
5250542-067
SUPPORT-RR RH BLK
Цена по
запросу
4
7547180
NUT-FLANGED 3/8-16 NYLON-Z (10
Цена по
запросу
5
7517854
SCR-3/8-16X1-P30-SPEC-Y
Цена по
запросу
7
7518279
SCR-3/8-16X4 FLG HX GR5 Z
Цена по
запросу
8
7080307
CLAMP HOSE
Цена по
запросу
9
8450003-1525
LINE FUEL 1/4 ID(1525 CM.)
Цена по
запросу
10
7518365
Vis
Цена по
запросу
11
5250541-067
SUPPORT-RR LH BLK
Цена по
запросу
12
5250178-067
BRKT-SUPPORT RR BLK
Цена по
запросу
13
7517642
Vis
Цена по
запросу

Узлы для