DRIVE TRAIN | DRIVE TRAIN, GEARCASE, DIFFERENTIAL, INTERNAL COMPONENTS - R09VH76FX (49RGRGEARCASERR09RZRI)

DRIVE TRAIN | DRIVE TRAIN, GEARCASE, DIFFERENTIAL, INTERNAL COMPONENTS - R09VH76FX (49RGRGEARCASERR09RZRI)
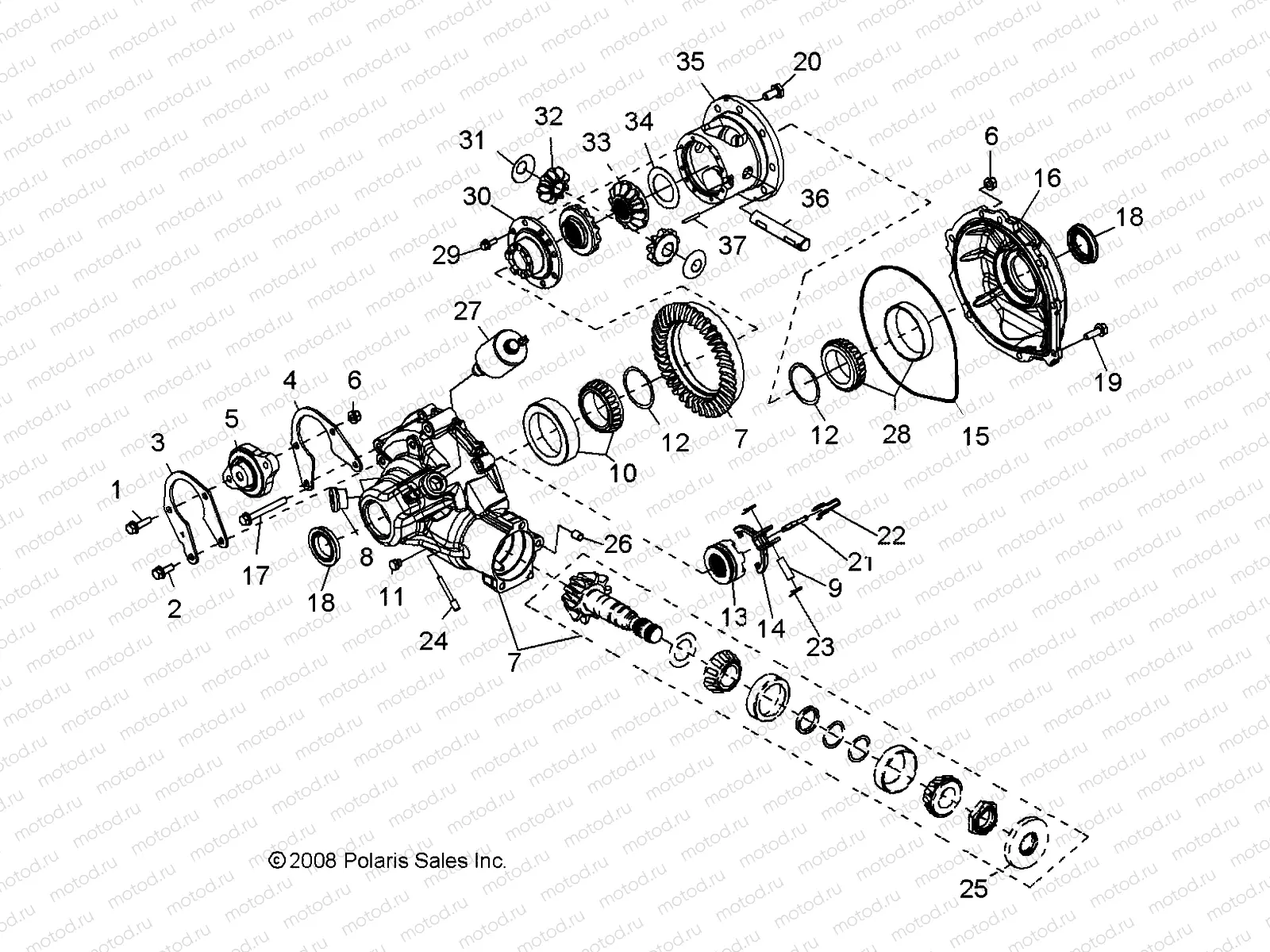
1
3234618
SCR-5/16-18X1.125(026HM117-1)
Цена по
запросу
2
3234511
SCR-5/16-18X.75 FL(026HM103-4)
Цена по
запросу
3
5250016
BRKT-DIFF MNT REAR RH
Цена по
запросу
4
5250329
BRKT-DIFF MNT REAR LH
Цена по
запросу
5
1332450
MOUNT-DIFF REAR
Цена по
запросу
6
3234500
NUT-FLANGE(026HN107)
Цена по
запросу
7
3235458
ASM-CARRIER RR(026KH125X)
Цена по
запросу
8
5133736
PLUG-FILL/CHECK
Цена по
запросу
9
2203507
BUSHING-LOCK PIN
Цена по
запросу
10
3514657
BEARING-TAPERED RLR(026HC100)
Цена по
запросу
11
5133731
PLUG-DRAIN
Цена по
запросу
12
3234504
KIT-SHIM SPOOL(026KF101)
Цена по
запросу
13
5137196
GEAR-CLUTCH
Цена по
запросу
14
5133759
YOKE-SHIFT 026SV100
Цена по
запросу
15
5412338
O-RING-HOUSING HALVES 026HH103
Цена по
запросу
16
3234861
ASM-COVER REAR(026KX101X)
Цена по
запросу
17
3234501
SCR-5/16-18X2.750(026HM103-3)
Цена по
запросу
18
3610159
SEAL-OIL SHAFT 026HH116
Цена по
запросу
19
7518172
Vis
Цена по
запросу
20
7518173
BOLT-HEX 41221
Цена по
запросу
21
5133760
LEVER-SHIFT 026SV101
Цена по
запросу
22
7042209
SPRING-LEVER SHIFT 026HE100
Цена по
запросу
23
7042210
SPRING-RETURN SHIFT 026HE101
Цена по
запросу
24
2203503
PIN-LOCK ASM.
Цена по
запросу
25
3610102
SEAL-OIL PINION 026HH102
Цена по
запросу
26
3234503
BUSHING-DOWEL(026HP105)
Цена по
запросу
27
2411634
SOLENOID-DIFF.LOCK
Цена по
запросу
28
3514435
BEARING-TAPERED ROLLER026HD101
Цена по
запросу
29
3234885
SCREW-FLANGE HEAD(026MH109-1)
Цена по
запросу
30
3234883
CASE-DIFF COVER HALF(026DC108)
Цена по
запросу
31
7556347
WASHER-THRUST PINION 34096
Цена по
запросу
32
5134903
GEAR-PINION MATE DIFF 51451
Цена по
запросу
33
3234894
SIDE GEAR (026GD101)
Цена по
запросу
34
3234884
WASHER-THRUST SIDE GEAR(34095)
Цена по
запросу
35
3234882
CASE-DIFF HALF(026DC106)
Цена по
запросу
36
5134902
PIN-CROSS DIFF 026DP101
Цена по
запросу
37
3234487
PIN-SPRING(500596-15)
Цена по
запросу

Узлы для