DRIVE TRAIN | DRIVE TRAIN, CLUTCH COVER AND DUCTING - G21GAB99CM/FM (702729)

DRIVE TRAIN | DRIVE TRAIN, CLUTCH COVER AND DUCTING - G21GAB99CM/FM (702729)
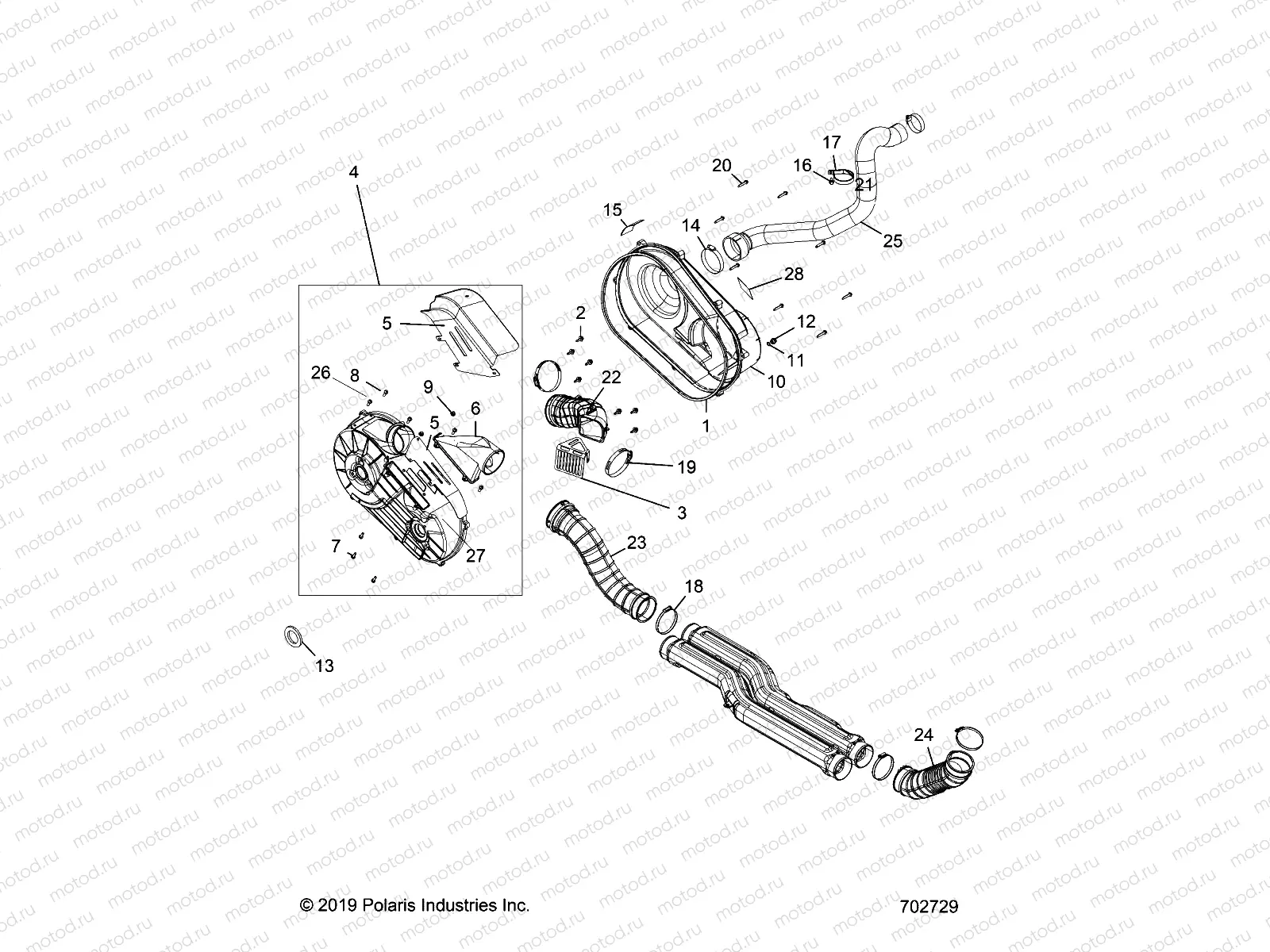
1
5526449
SEAL-OUTER CLUTCH COVER
Цена по
запросу
2
7519278
ASM-BOLT/WASHER 20 MM
Цена по
запросу
3
5256732
BRKT-BELT SCREEN
Цена по
запросу
4
2635158
ASM-COVER CLUTCH INNER
Цена по
запросу
5
5256223
BRKT-GUARD CLUTCH COVER
Цена по
запросу
6
5439086
DUCT-CLUTCH AIR INLET
Цена по
запросу
7
7518546
Vis
Цена по
запросу
8
7519205
SCR-#14X3/4 HI/LO-PH-PN TRX-M
Цена по
запросу
9
7547453
NUT-HXFL-M6X1.0 8 ZB3 NYL
Цена по
запросу
10
2207410
K-CVR CLUTCH GEN EU
Цена по
запросу
11
5411432
O RING
Цена по
запросу
12
5434264
PLUG-DRAIN
Цена по
запросу
13
5813708
SEAL-COVER PTO
Цена по
запросу
14
7080907
CLAMP,HOSE,3.75,SS
Цена по
запросу
15
7181427
DECAL-WARN CLUTCH COVER EU
Цена по
запросу
16
7518529
SCR-M6X1.0X20 HXHD FLG TDFM BL
Цена по
запросу
17
7081129
Clamp, Filter
Цена по
запросу
18
7081279
CLAMP-BAND NARROW 70-90MM
Цена по
запросу
19
7081969
CLAMP-HOSE SLOTTED 89-100 DIA
Цена по
запросу
20
7519330
SCR-HXFL-M6X35 ZOD HILO
Цена по
запросу
22
5451061
HOSE-CLUTCH AIR OUTLET
Цена по
запросу
23
5415467
HOSE-CLUTCH INLET
Цена по
запросу
24
5415468
HOSE-INTAKE DUCT
Цена по
запросу
25
5416058
HOSE-CLUTCH SCNDRY INTK RBR
Цена по
запросу
26
5450846
DUCT-CLUTCH AIR OUTLET
Цена по
запросу
27
5454487-070
COVER-CLUTCH INNER BLK
Цена по
запросу
28
7177469
DECAL-BELT CAUTION/CHECK
Цена по
запросу

Узлы для