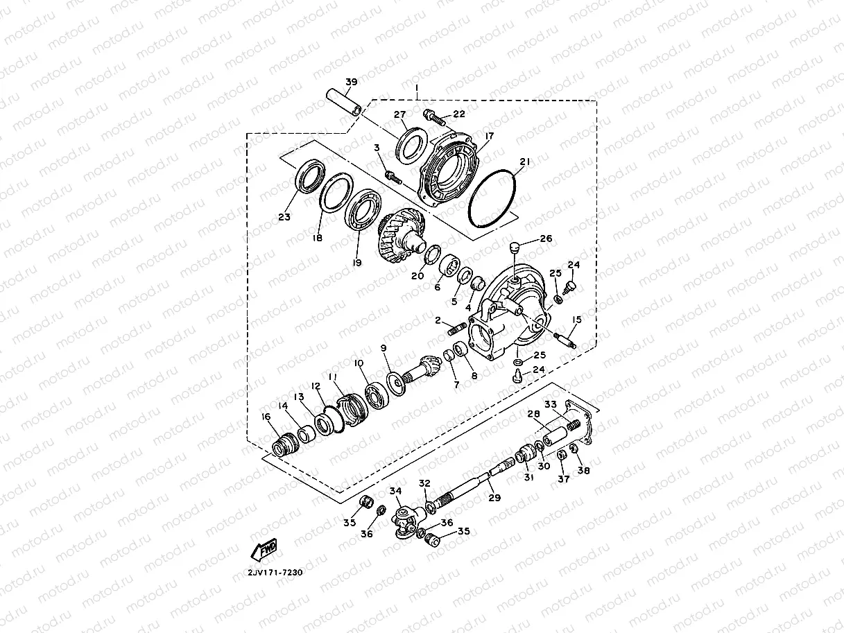
ПРИВОДНОЙ ВАЛ для XV535 VIRAGO (3BTY) 1994 YAMAHA XV 535 Virago (VIN: 2YL)

DRIVE SHAFT
1
2NT-46101-01
REAR AXLE GEAR CASE ASSY
Цена по
запросу
2
90116-10361
Болт заклепка
540 ₽
3
97017-08025
Болт
111 ₽
4
22U-46153-00
Collar, Guide
1 828 ₽
5
93101-30084
Сальник
985 ₽
6
93311-43729
Подшипник
6 752 ₽
7
2H7-46122-00
Втулка внутренняя
2 527 ₽
8
2H7-46102-00
Подшипник
3 004 ₽
9
1J7-17537-Y0-30
Шайба регулировочная (0.30T)
429 ₽
9
1J7-17537-Y0-40
Шайба регулировочная (0.40T)
429 ₽
9
1JT-17537-Y0-50
.SHIM, THRUST
Цена по
запросу
9
1J7-17537-Y0-50
Шайба регулировочная (0.50T)
429 ₽
10
93306-30533
Подшипник
8 831 ₽
11
4H7-46125-00
Корпус подшипника
4 548 ₽
12
93210-60426
Кольцо уплотнительное
604 ₽
13
93101-38098
Сальник
1 001 ₽
14
90387-25669
.COLLAR
Цена по
запросу
15
90116-10249
Болт заклепка
1 446 ₽
16
22U-46136-00
SEAL 1
Цена по
запросу
17
22U-46152-00
Housing, Bearing
8 288 ₽
18
22U-46117-00-25
Шайба регулировочная (0.25T)
413 ₽
18
22U-46117-00-30
Шайба регулировочная (0.30T)
413 ₽
18
22U-46117-00-40
Шайба регулировочная (0.40T)
413 ₽
18
22U-46117-00-50
SHIM, RING GEAR
Цена по
запросу
19
93316-01301
Bearing
7 590 ₽
20
22U-16118-00-12
.PLATE, SIDE 1
Цена по
запросу
20
22U-46118-00-14
Шайба регулировочная (1.4T)
779 ₽
20
22U-46118-00-16
Шайба регулировочная (1.6T)
779 ₽
20
22U-46118-00-20
Шайба регулировочная (2.0T)
779 ₽
21
93211-39569
Кольцо уплотнительное
954 ₽
22
95817-10025
Болт
95 ₽
23
93102-65277
Сальник
1 256 ₽
24
90340-14132
Пробка слива масла
152 ₽
25
214-11198-01
Шайба-прокладка пробки
223 ₽
26
2H7-17590-00
Сапун корпуса редуктора
1 701 ₽
27
1J7-25319-02
Seal, Hub Dust
985 ₽
28
22U-46123-00
Coupling, Gear
2 464 ₽
29
2GV-46172-00
Вал ведущий
24 091 ₽
30
93440-19112
Circlip
292 ₽
31
22U-46137-00
SEAL 2
Цена по
запросу
32
93410-22039
Кольцо стопорное
175 ₽
33
90501-15722
Пружина компрессии
191 ₽
34
4X7-46180-00
Хвостовик с крестовиной в сборе
21 109 ₽
35
93399-99926
Подшипник
2 098 ₽
36
93440-20088
Кольцо стопорное
254 ₽
37
95314-10600
Гайка
159 ₽
38
92990-10100
Шайба
159 ₽
39
90387-156G8
Втулка
1 116 ₽

Узлы для