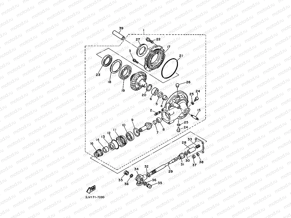
DRIVE SHAFT

DRIVE SHAFT

Узлы для