DASH INSTRUMENTS and CONTROLS - R07RH50AF/AR/AT (49RGRDASH07500EFI) | DASH INSTRUMENTS and CONTROLS - R07RH50AF/AR/AT (49RGRDASH07500EFI)

DASH INSTRUMENTS and CONTROLS - R07RH50AF/AR/AT (49RGRDASH07500EFI) | DASH INSTRUMENTS and CONTROLS - R07RH50AF/AR/AT (49RGRDASH07500EFI)
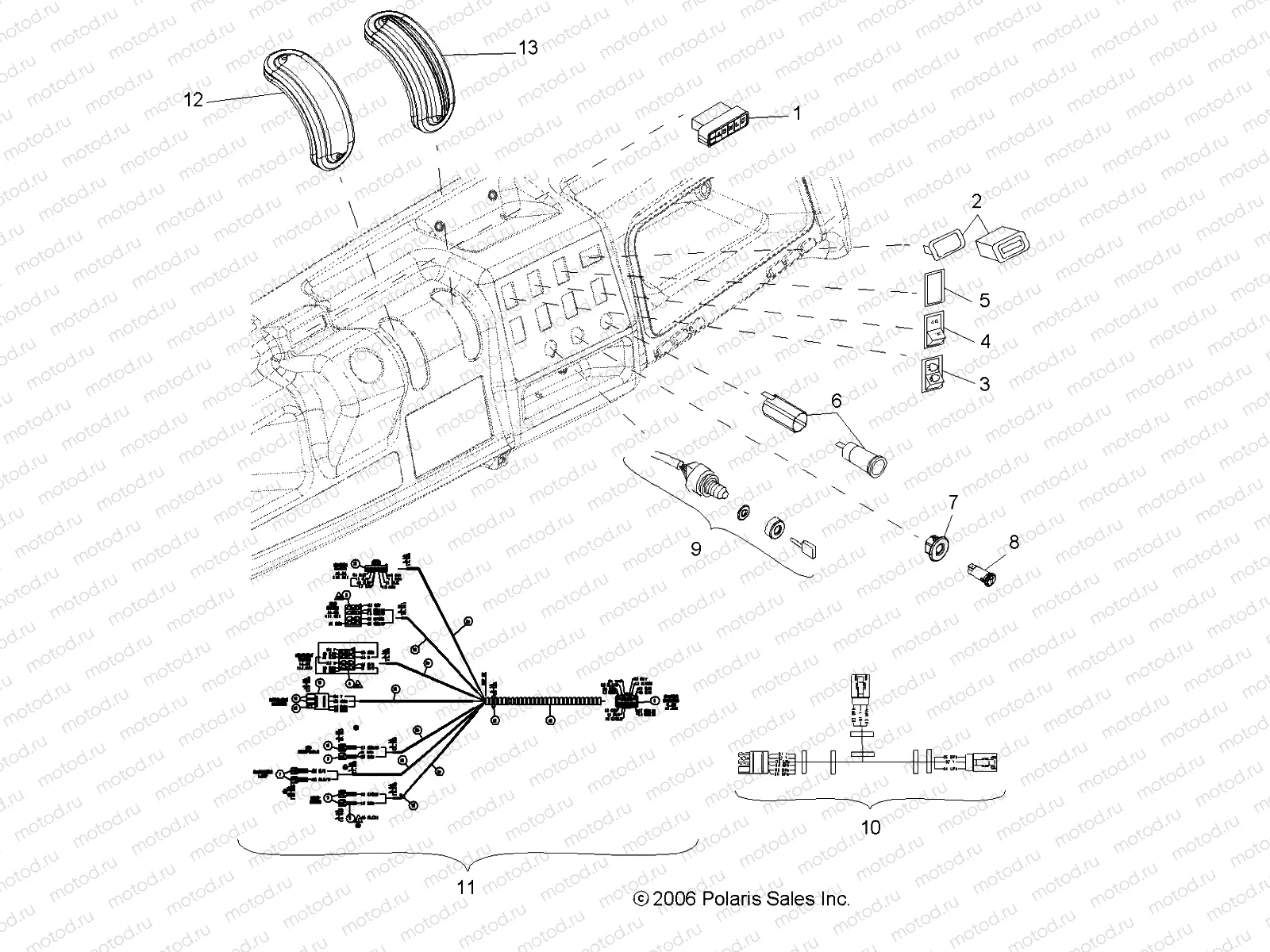
1
4010416
BULB-INDICATOR HOBBS
Цена по
запросу
1
4010797
PANEL-INDICATOR
Цена по
запросу
2
4014082
CLIP-HOURMETER RECTNGLR
Цена по
запросу
2
4010460
HOURMETER-12V NON-POL RECTNGLR
Цена по
запросу
3
4010525
SWITCH-HEADLIGHT
Цена по
запросу
4
4011117
SWITCH-2WD/AWD
Цена по
запросу
5
5434192
PLUG-HOLE CARLING ROCKER SWTCH
Цена по
запросу
6
4010638
RECEPTACLE-POD MNT 12 VOLT
Цена по
запросу
7
5436161
PLUG-INDICATOR LIGHT
Цена по
запросу
8
4011192
INDICATOR-DIAGNOSTICS LIGHT
Цена по
запросу
9
4012165
SWITCH-KEY 3 POS MT SLV
Цена по
запросу
10
2410878
HARNESS-HEADLITE/HOOD
Цена по
запросу
11
2410880
HARNESS-DASH
Цена по
запросу
12
5412294
GROMMET-GEAR SHIFT PLUG
Цена по
запросу
13
5412154
GROMMET-GEAR SHIFT
Цена по
запросу

Узлы для