ГБЦ для SMS-TE 610 HUSQVARNA 2006 (VIN: ZCG100AA6, ZCGA100A)

CYLINDER HEAD
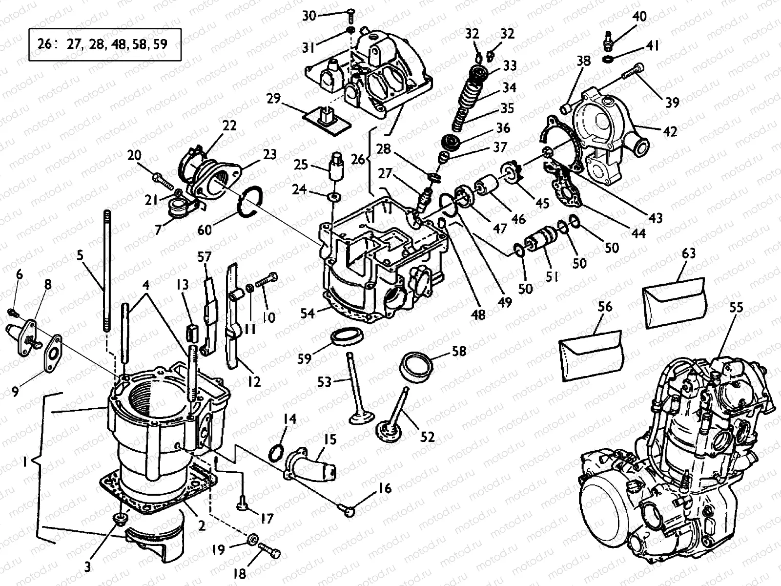
1
8000A5012
CYLINDER ASSY
Цена по
запросу
2
161540702
Joint d'embase cylindre
Цена по
запросу
3
61N115195
Mutter
Цена по
запросу
4
161533201
Stud bolt
Цена по
запросу
5
800081650
Stud bolt
Цена по
запросу
6
60N107335
Vis
Цена по
запросу
7
800088167
CLAMP 10MM
Цена по
запросу
8
8A0068908
Tendeur de chaîne
Цена по
запросу
9
161535801
GASCKET TENSIONER ASSY, CAM CH
Цена по
запросу
10
161535902
Vis
Цена по
запросу
11
800045194
WASHER 14X8.2X1
Цена по
запросу
12
800081151
GUIDE, TIMING CHAIN
Цена по
запросу
13
8000H0278
BUSH
Цена по
запросу
14
SPMV800019789
pc - O-Ring
Цена по
запросу
15
80A066222
JOINT
Цена по
запросу
16
Z00062727
Vis
Цена по
запросу
17
60N102511
Vis
Цена по
запросу
18
Z00062725
Vis
Цена по
запросу
19
8A0015960
Rondelle
Цена по
запросу
20
60N102557
Screw (M8x30mm) (M8x30mm)
Цена по
запросу
21
Z00008536
Rondelle
Цена по
запросу
22
800098290
Collier
Цена по
запросу
23
800098205
MANIFOLD
Цена по
запросу
24
SPMV800069156
pc - WASHER, 18x10,5x2 FLAT, BLACK
Цена по
запросу
25
161535101
Nut
Цена по
запросу
26
800081645
HEAD, CYLINDER
Цена по
запросу
26
8A0081645
HEAD, CYLINDER
Цена по
запросу
27
8A0080661
GUIDE, INTAKE VALVE +0.025 MM
Цена по
запросу
27
8B0080661
VALVE GUIDE
Цена по
запросу
28
800059940
ELASTIC RING
Цена по
запросу
29
800073482
SHEET
Цена по
запросу
30
800014837
SCREW TCIC M5X0.8X10
Цена по
запросу
31
62N015672
ALUMINIUM WASHER 10X5.1X1
Цена по
запросу
32
800077425
HALF-CONES
Цена по
запросу
33
800081799
SEAT SPRING
Цена по
запросу
34
800082205
SPRING, VALVE OUTER (EX)
Цена по
запросу
35
800082204
SPRING, VALVE INNER (IN)
Цена по
запросу
36
800081647
SPRING CAP
Цена по
запросу
37
SPMV800075584
pc - O-Ring
Цена по
запросу
37
161530301
Seal ring
Цена по
запросу
38
161795501
BUSH 8X6.4X6
Цена по
запросу
39
Z00062730
Vis
Цена по
запросу
40
800066395
JOINT
Цена по
запросу
41
8A0015960
Rondelle
Цена по
запросу
42
80C075766
HOUSING, WATER PUMP
Цена по
запросу
43
Z00042278
Nut
Цена по
запросу
44
8A0063644
Gasket - water pump
Цена по
запросу
45
8A0060415
IMPELLER, WATER PUMP
Цена по
запросу
46
800053339
Joint
Цена по
запросу
47
800063817
BUSH
Цена по
запросу
48
161170801
BUSH
Цена по
запросу
49
0770291016
O-Ring
Цена по
запросу
50
SPMV800018422
O-Ring
Цена по
запросу
51
8A0078765
WATER PIPE
Цена по
запросу
52
800080532
Valve (EX)
Цена по
запросу
52
8000A9321
Valve (EX)
Цена по
запросу
53
800080531
Valve (IN)
Цена по
запросу
53
8000A9320
Valve (IN)
Цена по
запросу
54
800064726
Joint culasse
Цена по
запросу
55
8000A4835
Engine assy
Цена по
запросу
56
800097970
GASKET SET, ENGINE
Цена по
запросу
57
8000H9064
CHAIN SLIDER KIT 610
Цена по
запросу
58
8B0080669
SEAT, EXHAUST VALVE +0.06 MM
Цена по
запросу
58
8A0080669
SEAT, EXHAUST VALVE +0.03 MM
Цена по
запросу
59
8B0080668
SEAT, INTAKE VALVE +0.06 MM
Цена по
запросу
59
8A0080668
SEAT, INTAKE VALVE +0.03 MM
Цена по
запросу
60
SPMV800019965
pc - O-Ring
Цена по
запросу
63
800097971
OIL SEAL SET, ENGINE
Цена по
запросу

Узлы для