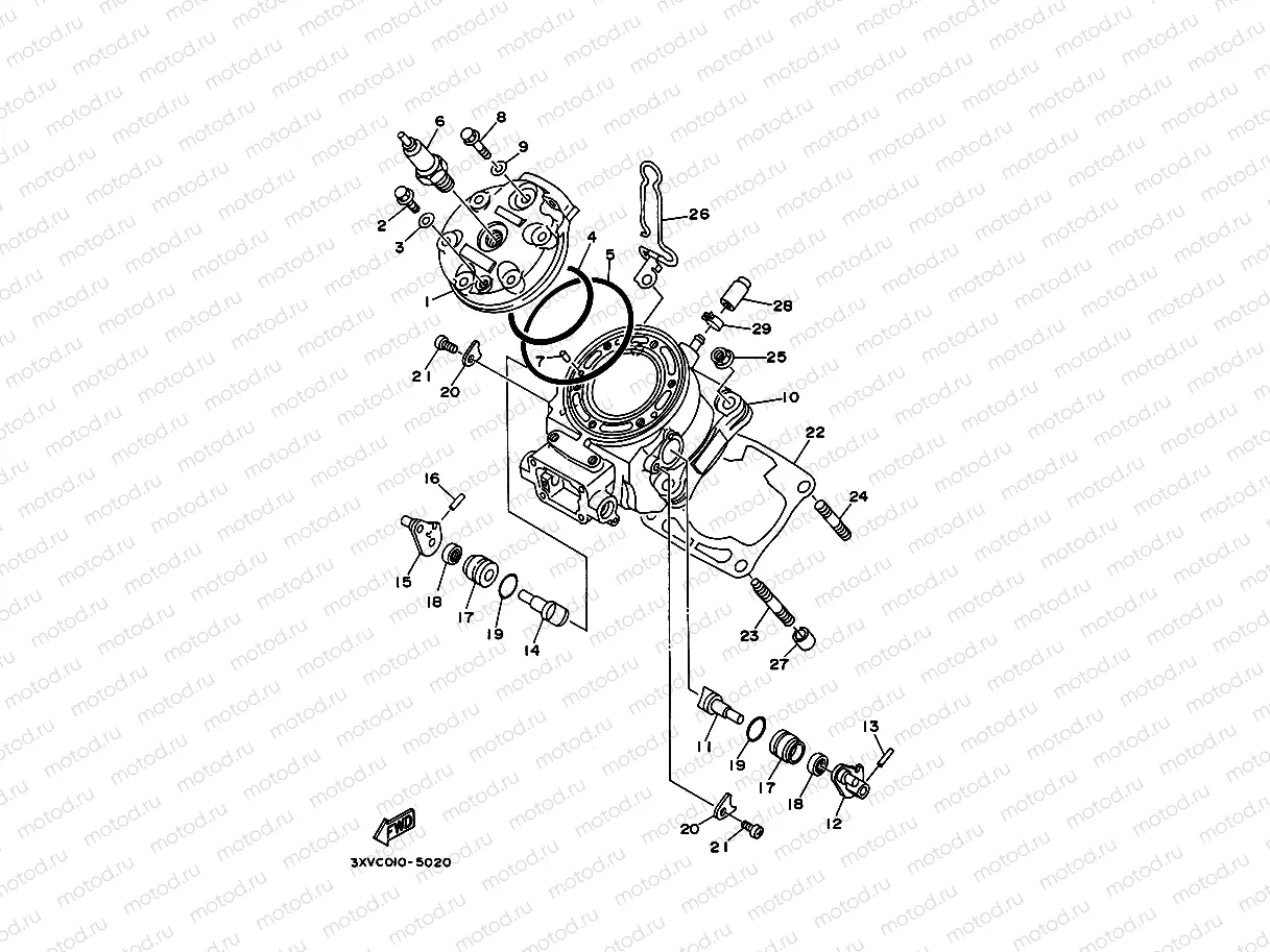
Cylinder Head 2 (SPR Model)

Cylinder Head 2 (SPR Model)

Узлы для