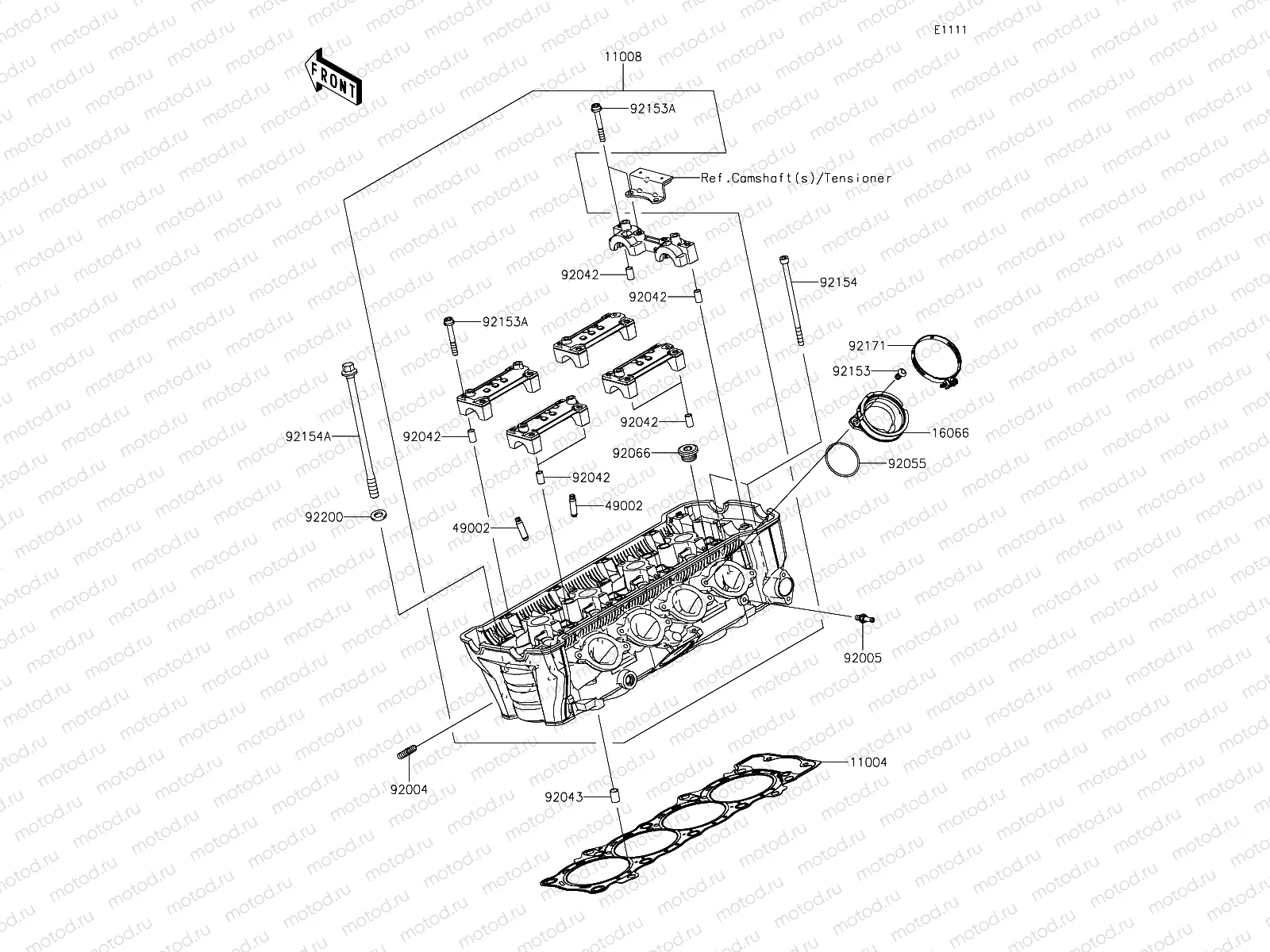
Cylinder Head

Cylinder Head
11004
11004-0781
Joint culasse
Цена по
запросу
11008
11008-1446
Cylinder head
Цена по
запросу
16066
16066-0012
Pipe d’admission
Цена по
запросу
49002
49002-0009
Guide de soupape
2 185 ₽
92004
92004-0050
STUD
177 ₽
92005
92005-0826
FITTING
530 ₽
92042
92042-007
Dowel pin
338 ₽
92043
92043-1264
5 pc - Dowel pin (8.2X10X14)
161 ₽
92055
92055-1536
O-Ring (42x1,9)
161 ₽
92066
92066-0832
PLUG,18X10
739 ₽
92153
92153-0406
BOLT,6X14
128 ₽
92153
92153-0656
Vis (6x45)
113 ₽
92154
92154-0205
Vis (6x115)
418 ₽
92154
92154-2638
Vis
1 141 ₽
92171
92171-0729
CLAMP,60MM
948 ₽
92200
92200-1691
WASHER,10.2X18.4X1.8
274 ₽

Узлы для