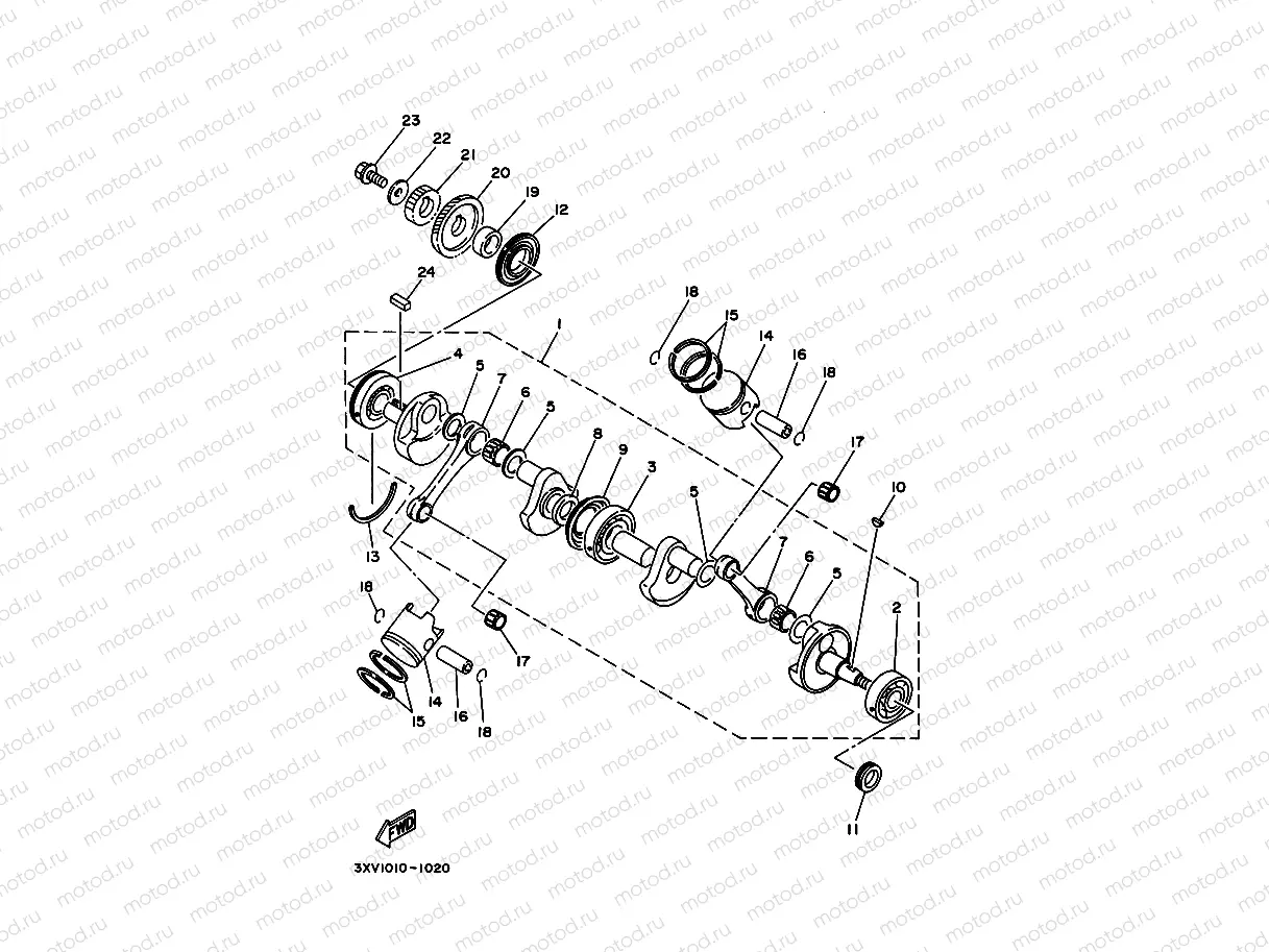
Crankshiyaft. Piston 1 (R / RS model)

Crankshiyaft. Piston 1 (R / RS model)

Узлы для