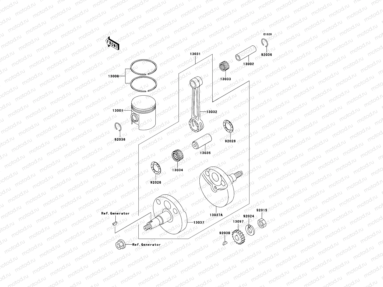
Crankshaft/Piston(s)

Crankshaft/Piston(s)
0
Combo Kit: Connecting rod kit with engine gasket kit
13001
13001-1536
PISTON-ENGINE,B
5 157 ₽/шт
13002
13002-1119
Piston pin
1 092 ₽/шт
13008
13008-5050
Kir segment
4 257 ₽/шт
13031
13031-1448
Vilebrequin
13032
13032-1246
ROD-CONNECTING
2 474 ₽/шт
13033
13033-0002
Needle bearing (12x16x15,3)
948 ₽/шт
13034
13034-1107
BEARING-BIG END,B4
3 903 ₽/шт
13035
13035-1002
PIN,CRANK
1 574 ₽/шт
13037
13037-1204
CRANKSHAFT,LH
13037
13037-1220
CRANKSHAFT,RH
13097
13097-1055
GEAR-PRIMARY SPUR,22T
92015
92015-006
Nut (12 mm)
321 ₽/шт
92024
92024-003
WASHER-LOCK,12MM
289 ₽/шт
92026
92026-1522
Entretoise
530 ₽/шт
92036
92036-007
10 pc - Seeger
223 ₽/шт
92038
92038-003
WOODRUFF KEY-PRY PINI
305 ₽/шт

Узлы для