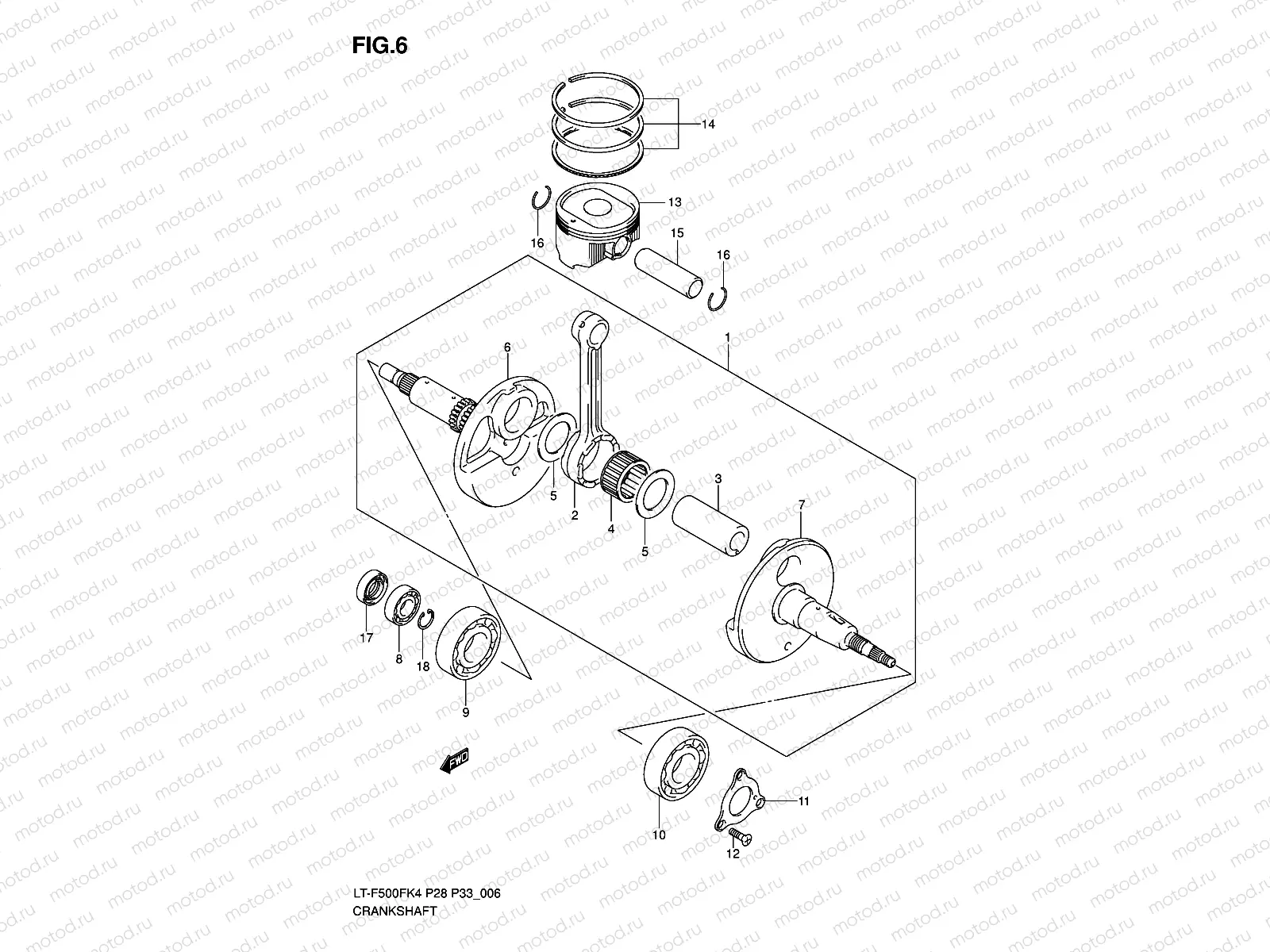
CRANKSHAFT

CRANKSHAFT
1
CRANKSHAFT SET
Цена по
запросу
2
12161-32E00
Шатун
17 281 ₽
3
12210-24B01-0A0
Палец шатунный
5 100 ₽
4
09263-37007
BEARING(37X47X24.8)
10 115 ₽
5
09160-37006
Шайба
662 ₽
6
CRANKSHAFT SET, RH
Цена по
запросу
7
CRANKSHAFT, LH
Цена по
запросу
8
09262-17040
BEARING(17X40X9.5)
1 603 ₽
9
09262-40008
Подшипник
3 485 ₽
10
09262-35009
Подшипник B1 35X80X21
6 960 ₽
11
12541-46510
RETAINER,CRANKSHAFT OIL SEAL
583 ₽
12
09126-06011
SCREW,6X12
81 ₽
13
12111-03G10-0F0
Piston
Цена по
запросу
14
12140-03G10
Ring set,piston
Цена по
запросу
15
12151-09F00
Piston pin
Цена по
запросу
16
09381-23003
КЛИПС
97 ₽
17
09282-17010
SEAL.OIL.17X36X6
Цена по
запросу
18
08331-41406
КЛИПС
179 ₽

Узлы для