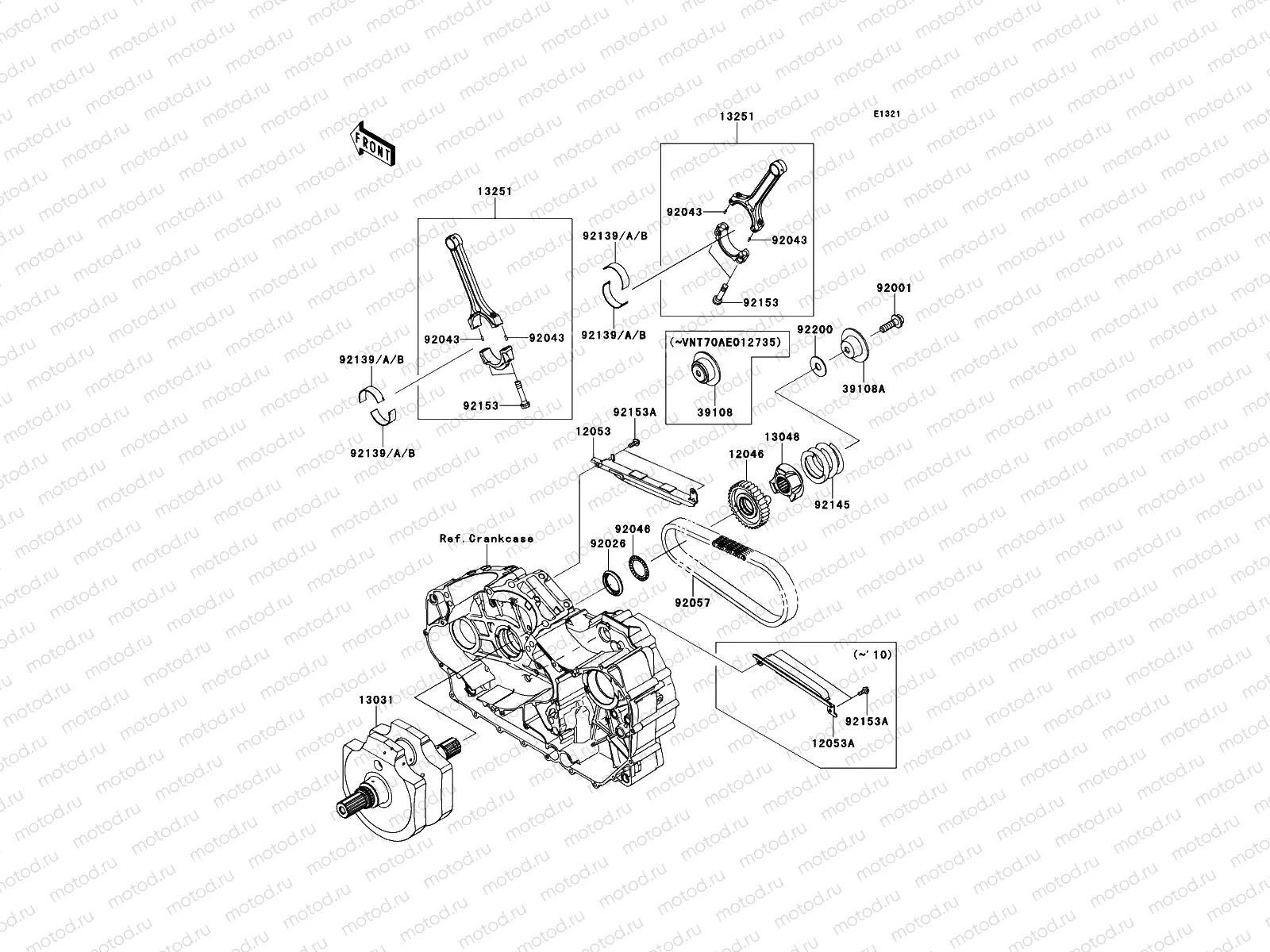
Crankshaft

Crankshaft
12046
12046-0065
SPROCKET,PRIMARY,33T
8 636 ₽/шт
12053
12053-0122
GUIDE-CHAIN,PRIMARY,UPP
8 058 ₽/шт
12053
12053-0123
GUIDE-CHAIN,PRIMARY,LWR
6 478 ₽/шт
13031
13031-0960
Vilebrequin
13048
13048-0017
CAM-DAMPER
8 174 ₽/шт
13251
13251-0026
Connecting rod
37 785 ₽/шт
92001
92001-1146
Vis
610 ₽/шт
92026
92026-0145
Entretoise
2 072 ₽/шт
92043
92043-0033
PIN,3X8.5
80 ₽/шт
92046
92046-0033
Needle bearing
867 ₽/шт
92057
92057-0155
CHAIN,PRIMARY,89HV303CF
25 383 ₽/шт
92139
92139-0225
Plane bearing - connecting rod (Blue)
1 157 ₽/шт
92139
92139-0226
Plane bearing - connecting rod (BLACK)
1 157 ₽/шт
92139
92139-0227
Plane bearing - connecting rod (BROWN)
1 157 ₽/шт
92145
92145-0592
SPRING,58X11X46.5
4 305 ₽/шт
92153
92153-0314
BOLT,CONNECTING ROD
515 ₽/шт
92153
92153-0713
Vis
97 ₽/шт

Узлы для