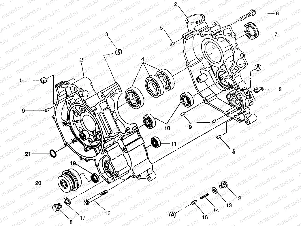
CRANKCASE Magnum 4X4 W968144 and Swedish Magnum 4X4 S968144 (4936053605C014) | CRANKCASE Magnum 4X4 W968144 and Swedish Magnum 4X4 S968144 (4936053605C014)

CRANKCASE Magnum 4X4 W968144 and Swedish Magnum 4X4 S968144 (4936053605C014) | CRANKCASE Magnum 4X4 W968144 and Swedish Magnum 4X4 S968144 (4936053605C014)
1
3083669
BUSHING STARTER
2
3085411
CRANKCASE ASM. Substituted by 3084833
3
3087266
KNOCK PIPE
4
3080676
BEARING BALL
5
3090304
Dowel pin
6
3084205
ASM. SCREW & WASHER
7
3084839
SEAL OIL
8
3090305
UNION
9
3086838
Dowel pin
10
3084834
BEARING BALL
11
3084835
BEARING BALL
12
3084845
PLUG
13
3084846
GASKET (ALUM.)
14
3084844
SPRING ONE WAY VALVE
15
3086810
VALVE-ONEWAY
16
3084841
Vis
17
3082956
GASKET
18
3083453
PLUG
19
3084836
SEAL OIL
20
3084837
SEAL MECHANICAL
21
3084847
O-Ring

Узлы для