CRANKCASE & GEARCASE - 883L/N/R, 1200C/CA/CB/CP/V/X (2 OF 2)

CRANKCASE & GEARCASE - 883L/N/R, 1200C/CA/CB/CP/V/X (2 OF 2)
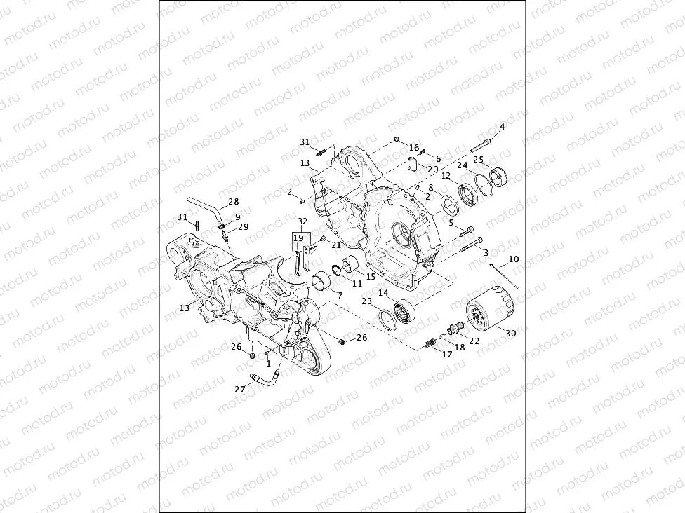
23
35114-02
RETAINING RING
Цена по
запросу
24
35118-03
RETAINING RING
Цена по
запросу
25
40254-02
SPACER, SPROCKET SHAFT
Цена по
запросу
26
45830-48
PLUG PIPE
Цена по
запросу
27
62651-04
HOSE, OIL PUMP
Цена по
запросу
28
63508-04
VENT HOSE
Цена по
запросу
29
63533-41A
FITTING,STRAIGHT,W/SEALANT
Цена по
запросу
30
63805-80A
OIL FILTER ASY
Цена по
запросу
30
63796-77A
OIL FILTER, CHROME, SPIN-ON
Цена по
запросу
31
65088-04
STUD, GROUND
Цена по
запросу
32
62700-014
PISTON OIL JET ASSY W/O SCREWS
Цена по
запросу

Узлы для