Crankcase & Fittings - 4 Cyl. Black Engines

Crankcase & Fittings - 4 Cyl. Black Engines
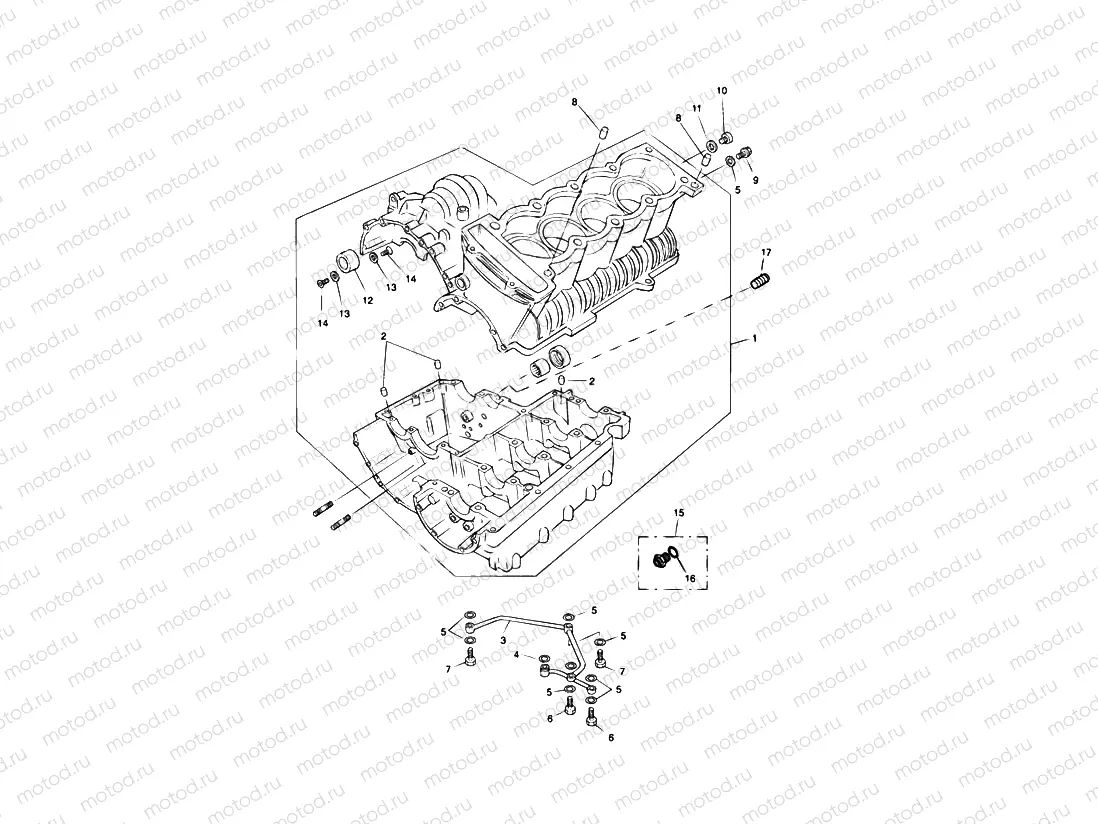
1
T1160586
Crankcase
2
T3000103
Dowel, Hollow, 12 x 14
3 шт. в узле
3
1210470-T0301
Pipe oil feed
4
T3600143
O Ring, ID 9.1 x 1.6, Viton
5
T3550542
Washer, Cu, Od12.5 x Id6.4
13 шт. в узле
6
1210455-T0301
Banjo bolt
2 шт. в узле
7
T1210242
Bolt, Banjo, M6 x 20
2 шт. в узле
8
T3000101
Dowel, Hollow, 8 x 14
2 шт. в узле
9
T3203222
Bolt, HHF, M6 x 12, Slv
2 шт. в узле
10
T3450071
Plug
2 шт. в узле
11
T3550021
Rondelle
12
3800019-T0301
Needle bearing
13
3550230-T0301
Washer hard
2 шт. в узле
14
T3332704
Screw, Torx, M6 x 14
2 шт. в узле
15
T1160620
Sight glass
16
T3550085
Rondelle
17
T3350661
Grub Screw, M12 x 12

Узлы для