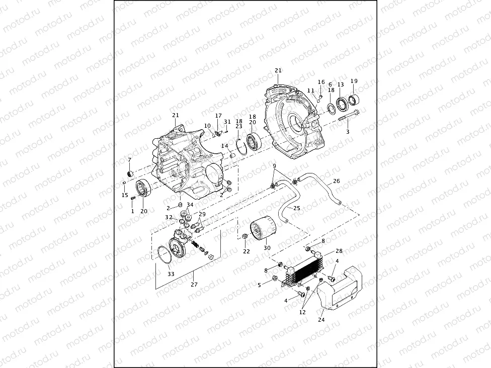
CRANKCASE, ENGINE OIL FILTER & COOLER - TWIN CAM 103™

CRANKCASE, ENGINE OIL FILTER & COOLER - TWIN CAM 103™
1
703B
SCREW, BTN, TORX, SELF-TAP
2
765
PLUG, W/SEALANT
3
835
SCREW, FLANGE HEAD W/LOCKER
4
4266A
SCREW,SEMS/BTN HD,TORX LOCK
5
7601
NUT, FLANGE LOCK
6
8972
THRUST WASHER, FLYWHEEL
7
9215
NEEDLE BEARING, CAM
8
10198
Collier
9
10354
CLAMP,SPRING/BLACK
10
11140
O-Ring
11
11273
O-Ring
12
11692
GROMMET, OIL COOLER COVER
13
12068
OIL SEAL
14
16574-99A
Dowel pin
15
16589-99A
Dowel pin
16
16595-99A
Dowel pin
17
22307-99
JET PISTON ASSY WITH O-RING, C
18
24004-03B
EARING SERVICE KIT, FLYWHEEL,
19
24009-06
SPACER, SPROCKET SHAFT
20
24605-07
ROLLER BEARING
21
24621-06B
CRANKCASE SET, BLACK, TC, TOUR
22
26041-05A
OIL ADAPTER MOUNTING FITTING
23
35114-02
RETAINING RING
24
62533-11
COVER,OIL COOLER
25
62629-11
HOSE,RH,OIL COOLER FEED
26
62641-11
HOSE,LH,OIL COOLER RETURN
27
63059-09A
DAPTER ASY,OIL COOLER,BLK
28
63083-11A
CORE,OIL COOLER
29
63533-41A
FITTING,STRAIGHT,W/SEALANT
30
63731-99A
OIL FILTER, BLACK SUPERPREMIUM
31
68042-99
Vis
32
11900-010
O-Ring
33
11900-039
O-Ring
34
62800-013
PLUG ASY,W/O-RING

Узлы для