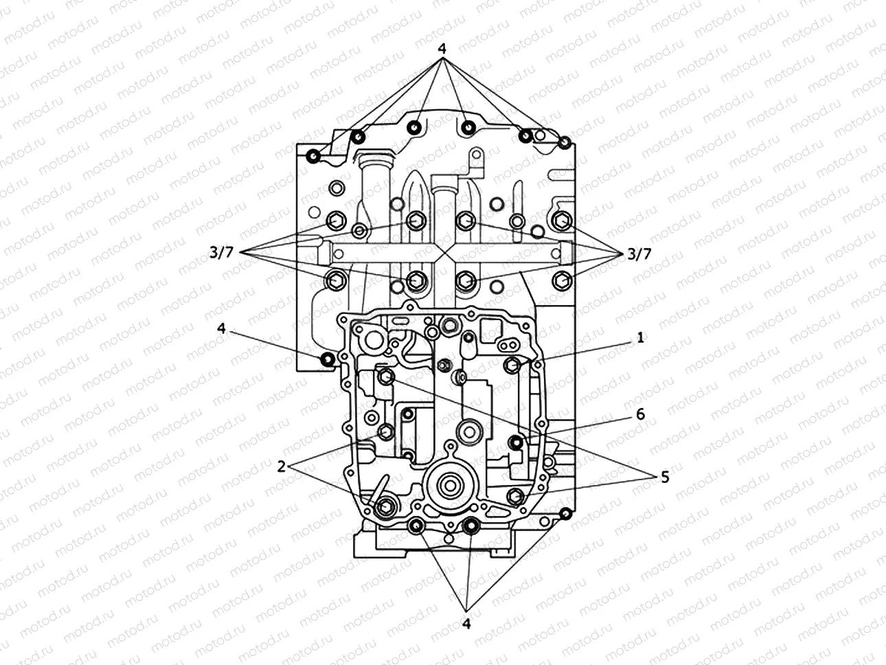
Болты картера для BONNEVILLE T120 Triumph 2018

Crankcase Bolts
1
T3202307
Bolt, HHF, M8 x 50, Slv
Цена по
запросу
2
T3202332
Bolt, HHF, M8 x 100, Slv
Цена по
запросу
2 шт. в узле в узле
3
T3150151
Bolt, HHF, M10 x 130, Slv
Цена по
запросу
8 шт. в узле в узле
4
T3200148
Bolt, M6 x 30, Silver
Цена по
запросу
10 шт. в узле в узле
5
T3202313
Bolt, HHF, M8 x 85, Slv
Цена по
запросу
2 шт. в узле в узле
6
T3203150
Bolt, RHHF, M6 x 55, Slv
Цена по
запросу
7
T3550271
Washer, M10, Hardened
Цена по
запросу
8 шт. в узле в узле

Узлы для