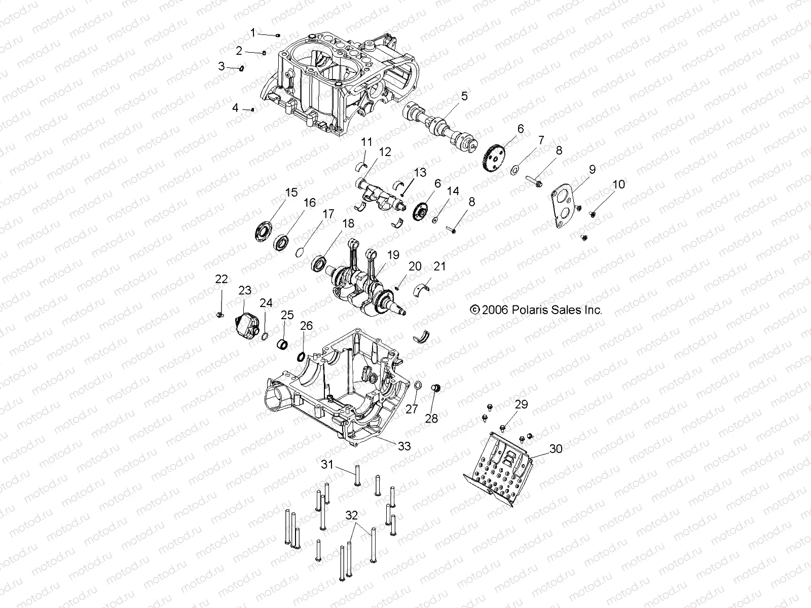
CRANKCASE and CRANKSHAFT - R06RD68AA/AB/AC/AD/AE/AF (4999202219920221D10) | CRANKCASE and CRANKSHAFT - R06RD68AA/AB/AC/AD/AE/AF (4999202219920221D10)

CRANKCASE and CRANKSHAFT - R06RD68AA/AB/AC/AD/AE/AF (4999202219920221D10) | CRANKCASE and CRANKSHAFT - R06RD68AA/AB/AC/AD/AE/AF (4999202219920221D10)
1
7518007
PLUG-HEX SOCKET 1/4X18
Цена по
запросу
2
7661175
DOWEL-HOL M16X12 0600089
Цена по
запросу
3
7051530
PLUG EXPANSION 19MM
Цена по
запросу
4
7663001
Dowel pin
Цена по
запросу
5
2202919
KIT-CAMSHAFT
Цена по
запросу
6
2203106
KIT-GEAR SET ATV
Цена по
запросу
7
7556183
WASHER-SPRING 1.1X.559X.0315
Цена по
запросу
8
7517865
SCREW M8X1.25X45 HX/FL-D
Цена по
запросу
9
5244286
PLATE-THRUST
Цена по
запросу
10
7517598
Vis
Цена по
запросу
11
5132753
BEARING-JOURNAL BAL SHAFT
Цена по
запросу
12
5132396
SHAFT-BALANCE
Цена по
запросу
13
7721131
KEY-WOOD RUFF #404
Цена по
запросу
14
7555982
WASHER RETAINING 8.5X28X3
Цена по
запросу
15
5412676
SEAL-FLANGE 35X72X7 REP
Цена по
запросу
16
3585503
BEARING BALL
Цена по
запросу
17
7556194
BUSHING-35X44X3.00 MM-B
Цена по
запросу
18
3514318
BEARING BALL
Цена по
запросу
19
2203067
KIT-CRANKSHAFT 700 ATV
Цена по
запросу
20
7721117
KEY WOODRUFF
Цена по
запросу
21
3585704
BEARING MAIN JOURNAL
Цена по
запросу
22
7516603
BOLT(1)
Цена по
запросу
23
1202663
ASM-OIL PICKUP
Цена по
запросу
24
5812016
SEAL-O-RING .070X.614
Цена по
запросу
25
3060004
PLUG EXPANSION 48MM
Цена по
запросу
26
7710512
RING-RETAINING 1 5/8
Цена по
запросу
27
5812232
WASHER-19X12X1.3-COPPER
Цена по
запросу
28
7052306
PLUG-SOCKET M12X1.5 DIN 908A
Цена по
запросу
29
7518045
SCR-M5X.80X8-HX/FL-Y/D
Цена по
запросу
30
5211785
PLATE-BAFFLE CRANKCASE
Цена по
запросу
31
7517793
SCR-M8X1.25X50 HX/FL-Y
Цена по
запросу
32
7517792
SCR-M8X1.25X90 HX/FL-Y
Цена по
запросу
33
2202864
KIT-CRANKCASE
Цена по
запросу

Узлы для