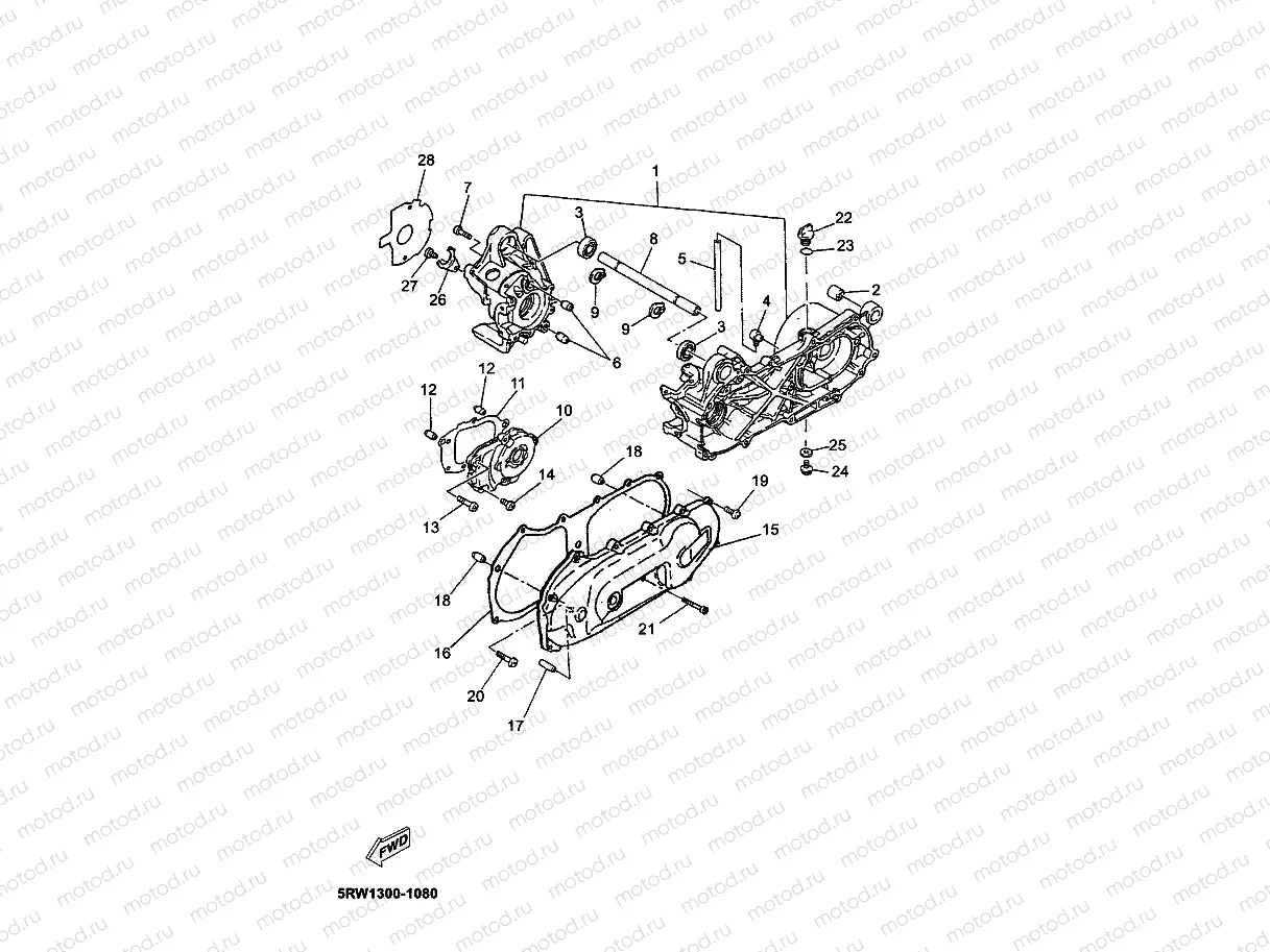
CRANKCASE

CRANKCASE
1
5AD-E5150-00
CRANKCASE ASSY
2
164-22216-00
Втулка амортизатора
811 ₽
3
93306-003YW
Roulement
4
37P-E5371-00
Штуцер угловой (клапан сапуна)
374 ₽
5
90446-13803
Hose
397 ₽
6
99530-12016
Втулка
152 ₽
7
90110-06X79
Болт
3 360 ₽
8
4CU-E5317-00
ntretoise
9
93410-17X00
Стопор
140 ₽
10
3VL-E5421-10
Cover, Crankcase 2
11 994 ₽
11
3VL-E5461-00
Прокладка крышки 2
1 108 ₽
12
99530-10014
Pin
13
90110-06X79
Болт
3 360 ₽
14
1TK-E5481-00
Болт диагональный
248 ₽
15
5EU-E5411-10
COVER, CRANKCASE 1
16
5AD-E5451-00
Gasket - belt cover
17
3VL-E5659-10
Вал
686 ₽
18
99530-10014
Pin
19
90110-06X77
pc - Vis
20
90110-06X79
Болт
3 360 ₽
21
90110-06X81
Vis
22
3VL-E5363-00
Пробка масляная
718 ₽
23
93210-14579
Кольцо уплотнительное
120 ₽
24
90105-08X15
pc - Vis
25
90430-08X00
10 pc - Gasket ring
26
3VL-E5128-00
Пластина
546 ₽
27
90110-06X82
pc - Vis
28
4CU-E5462-00
Gasket - generator cover

Узлы для