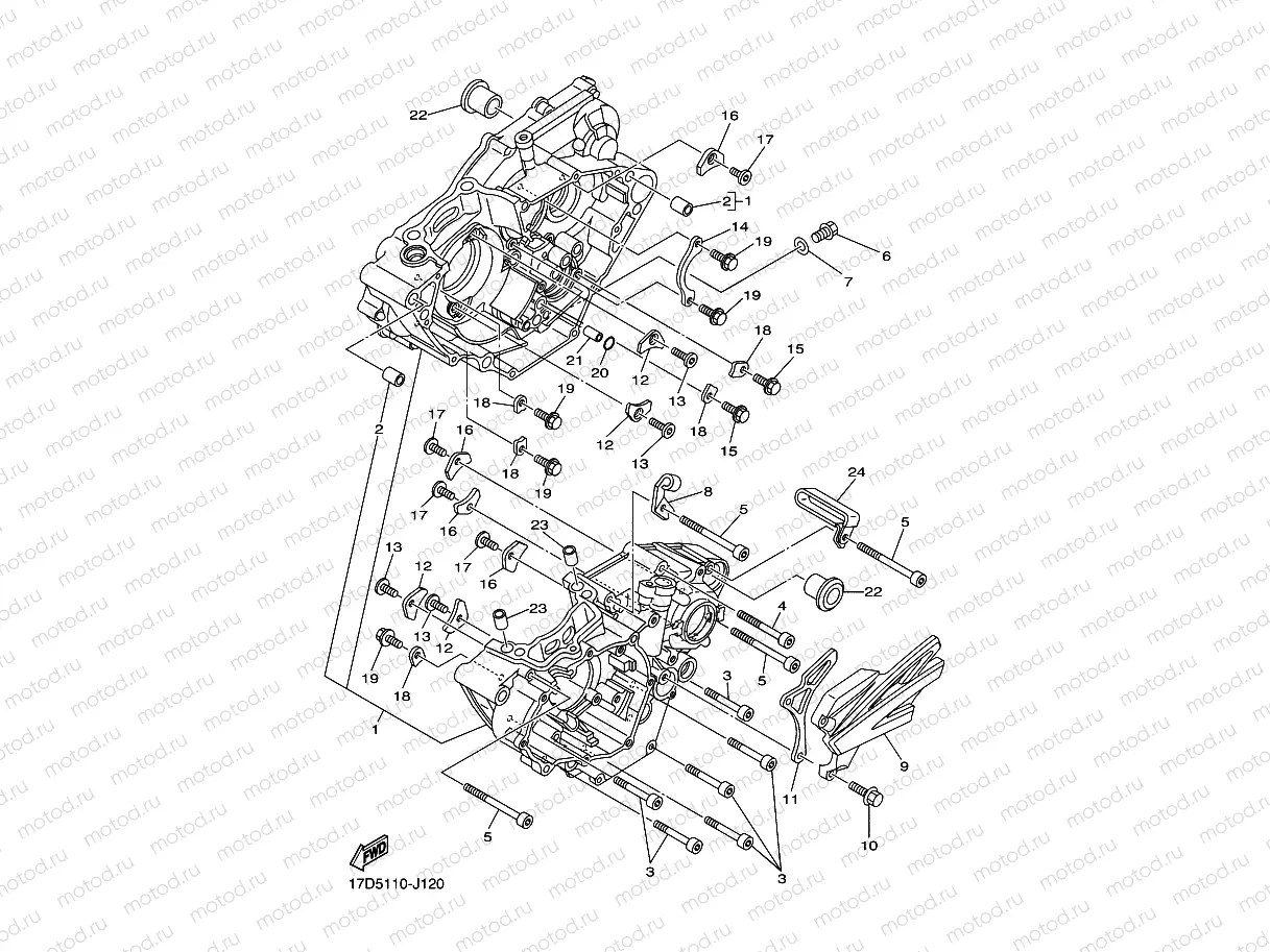
CRANKCASE

CRANKCASE
1
5XC-15100-38-YX
Картер
85 388 ₽/шт
2
93612-16254
Втулка
381 ₽/шт
3
90110-06X81
Vis
4
90110-06X75
Vis
5
91312-06070
Болт
159 ₽/шт
6
95022-10016
Болт
159 ₽/шт
7
90430-10171
Шайба-прокладка
120 ₽/шт
8
5NL-15441-01
Крепление кабеля сцепления
652 ₽/шт
9
17D-15421-50
Крышка картера 2
1 653 ₽/шт
10
90105-06189
Болт
143 ₽/шт
11
5NL-17466-00
Пластина
1 526 ₽/шт
12
5BE-15383-01
Пластина
795 ₽/шт
13
90151-06044
Винт
191 ₽/шт
14
5NL-15388-00
Пластина
334 ₽/шт
15
95022-06012
Болт
95 ₽/шт
16
4JT-15381-01
Пластина
795 ₽/шт
17
90151-06052
Винт
175 ₽/шт
18
5DH-18562-00
Пластина
938 ₽/шт
19
95022-06012
Болт
95 ₽/шт
20
93210-10197
Кольцо уплотнительное
207 ₽/шт
21
91810-14X00
Втулка
312 ₽/шт
22
90387-18007
Втулка
1 701 ₽/шт
23
99530-10116
Втулка
95 ₽/шт
24
90465-10013
Скоба
890 ₽/шт

Узлы для